Ангиоретикулема

Оглавление

  1. Дорога к бессмертию
  2. Бессмертие и религия
  3. Философия бессмертия
  4. Бессмертие и наука
  5. История анабиоза
  6. Смерть
  7. Кора головного мозга
  8. Бессмертие и анабиоз
  9. Анабиоз, медицина и биология
  10. Анабиоз и экономика
  11. Анабиоз и закон
  12. Анабиоз в Антарктиде
  13. Техническое обеспечение анабиоза
  14. Бессмертие и вера
  15. Библиотека Ordo Deus
  16. Контактная страница Ordo Deus

Ангиоретикулема

Ангиоретикулема (angioreticuloma; греческое аngeion — сосуд и латинское reticulum— сеточка + -ота; синонимы: капиллярная гиперпластическая ангиома, капиллярная гемангиобластома, гемангиобластома, ангиобластома) — доброкачественная сосудистая опухоль центральной нервной системы менинго-сосудистого генеза. Впервые под названием «капиллярная ангиобластома» описана Линдау (A. Lindau, 1926), обнаружившимее в стенке некотоорых кист мозжечка;наименование «ангиоретикулема» предложено позже [Русси и Оберлинг (G. Roussy, С. Oberling), 1930].

Патологическая анатомия.

Ангиоретикулема обычно представляет довольно плотный узел; окраска его зависит от состояния кровообращения, содержания липидов и может быть розовой, красной, бурой, желтой. Узел капсулы не имеет, но макроскопически границы его четкие, размеры часто не больше 1—2 см. Узел может выступать в полость крупной кисты, стенки которой на остальном протяжении гладки, образованы мозговой тканью.

Информация об Ordo Deus Перейти в оглавление сайта

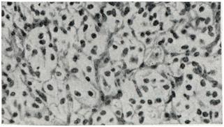
Рис. 1.
Ангиоретикулема. Полигональные светлые клетки в петлях сосудистой сети. Видна хроматиновая зернистость (окраска гематоксилинэозином; ×200).

Информация об Ordo Deus Перейти в оглавление сайта

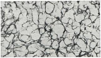
Рис. 2.
Сеть ретикулиновых волокон в ангиоретикулеме (импрегнация по Пердрау; ×200).

Микроскопически в ткани ангиоретикулемы обнаруживаются два компонента: 1) густая сеть сосудов капиллярного типа, имеющих вид каналов, щелей, более широких крововместилищ; стенки сосудов образованы одним слоем клеток эндотелия, 2) полигональные клетки со светлой цитоплазмой и небольшим ядром, содержащим нежную хроматиновую зернистость, располагающиеся между сосудами (рис. 1). Местами границы между клетками не видны или клетки формируют ретикулярную структуру. Часто цитоплазма содержит включения анизотропных липоидов («пенистые», «ксантомные» клетки).

Митозы обычно не встречаются. Иногда обнаруживаются тучные, плазмоцитоидные клетки. Могут наблюдаться очажки экстрамедуллярного кроветворения. В стенках сосудов с помощью импрегнационных методик выявляется характерное для ангиоретикулемы обилие ретикулиновых волокон, местами охватывающих и группы клеток межсосудистой ткани (рис. 2). Край опухоли образован петлями капилляров, переходящих в прилежащую мозговую ткань, и поэтому неровен. В опухоли или ее участках может преобладать какой-либо один из компонентов — сосудистый или клеточный.

В ткани ангиоретикулемы обычно обнаруживаются вторичные изменения: фиброз, гиалиноз, геморрагии, образование мелких кист отечного расплавления. Образование крупных кист объясняют транссудацией из неполноценно построенных опухолевых капилляров: жидкость накапливается на границе с мозговым веществом и оттесняет его от опухоли.

Источником клеточного компонента ткани ангиоретикулемы одни авторы считают эндотелиальные, другие — адвентициальные клетки сосудов мягких мозговых оболочек и внутримозговых сосудов. Гипотеза об адвентициальном (гистиоцитарном) происхождении клеточного компонента обоснована лучше, в частности данными электронной микроскопии.

Разновидности ангиоретикулемы: компактная и кистозная. Последняя чаще встречается в мозжечке. Ангиоретикулема может представлять собой изолированное поражение мозга или быть одним из проявлений болезни Гиппеля — Линдау (смотри Гиппеля — Линдау болезнь). В случаях множественной ангиоретикулемы центральной нервной системы вероятность болезни Гиппеля — Линдау и, соответственно, значение наследственности в развитии опухоли выше, чем при солитарной ангиоретикулеме. Описаны случаи сочетания ангиоретикулемы с эритроцитемией. Существуют злокачественные аналоги ангиоретикулемы: ангиоретикулосаркома (описана Л. И. Смирновым, 1940) и ее варианты — адвентициальная саркома, эндотелиосаркома.

По статистическим данным нейрохирургических учреждений, ангиоретикулема составляет 1,1—2,4% внутричерепных опухолей. Встречается преимущественно в возрасте 20—40 лет, чаще у лиц мужского пола.

В большинстве случаев ангиоретикулема располагается в мозжечке; чаще поражаются полушария мозжечка, реже червь. Встречается ангиоретикулема также в продолговатом мозге, спинном мозге (в этом случае может сочетаться с сирингомиелией). Обычно ангиоретикулема имеет связь с мягкой мозговой оболочкой. Ангиоретикулема встречается и в других органах, но описывается как гемаигиома, гемангиоэндотелиома и тому подобное.

Клиническая картина складывается из очаговых и общемозговых симптомов соответственно локализации опухоли (смотри Головной мозг, опухоли). Течение болезни нередко ремиттирующее, иногда бурное, что связано с колебаниями объема кисты, кровоизлияниями в опухоль и тому подобном.

Диагноз ангиоретикулемы центральной нервной системы ставится на основании очаговых и общемозговых симптомов, сочетающихся в случаях множественной ангиоретикулемы с ангиоматозом сетчатки и симптомами поражения других органов.

Прогноз при тотальном удалении ангиоретикулемы хороший, рецидивы наблюдаются редко; при частичном удалении опухоли с последующей лучевой терапией — благоприятный.

Лечение. Полное оперативное иссечение или разрушение (например, электрокоагуляцией) узла ангиоретикулемы при локализации опухоли в мозжечке ведет к излечению. Одно опорожнение опухолевой кисты дает только временную ремиссию. Ткань ангиоретикулемы обладает значительной чувствительностью к ионизирующему излучению. При невозможности удалить опухоль или в случае частичного удаления назначают лучевую терапию.

Архангельский В.В.

⇐ Перейти на главную страницу сайта

⇑ Вернуться в начало страницы ⇑

Библиотека Ordo Deus ⇒

⇐ Ангиоматоз

⇓ Каталог систематический ⇓

Ангиосаркома ⇒

Все статьи в полном изложении, Вы можете найти в большой медицинской энциклопедии — Главный редактор: академик АН СССР (РАН) и АМН СССР (РАМН) Б.В. Петровский. — Москва издательство «Советская энциклопедия» 1989г.

Внимание! Вы находитесь в библиотеке «Ordo Deus». Все книги в электронном варианте, содержащиеся в библиотеке «Ordo Deus», принадлежат их законным владельцам (авторам, переводчикам, издательствам). Все книги и статьи взяты из открытых источников и размещаются здесь только для чтения.

Библиотека «Ordo Deus» не преследует никакой коммерческой выгоды.

Все авторские права сохраняются за правообладателями. Если Вы являетесь автором данного документа и хотите дополнить его или изменить, уточнить реквизиты автора, опубликовать другие документы или возможно вы не желаете, чтобы какой-то из ваших материалов находился в библиотеке, пожалуйста, свяжитесь с нами по e-mail:
info @ ordodeus. ru
Формы для прямой связи с нами находятся в нижней части страниц: контакты и устав «Ordo Deus», для перехода на эти страницы воспользуйтесь кнопкой контакты вверху страницы или ссылкой в оглавлении сайта.

Вас категорически не устраивает перспектива безвозвратно исчезнуть из этого мира? Вы желаете прожить ещё одну жизнь, начав всё заново? Вы желаете прожить ещё одну жизнь без ошибок совершённых в этой жизни? Вы желаете прожить ещё одну жизнь, осуществив в ней мечты несбывшиеся в этой жизни? Перейдите по ссылке: «главная страница».

© Ordo Deus, 2010. При копировании ссылка на сайт http://www.ordo-deus.ru обязательна.