Текома

Оглавление

  1. Дорога к бессмертию
  2. Бессмертие и религия
  3. Философия бессмертия
  4. Бессмертие и наука
  5. История анабиоза
  6. Смерть
  7. Кора головного мозга
  8. Бессмертие и анабиоз
  9. Анабиоз, медицина и биология
  10. Анабиоз и экономика
  11. Анабиоз и закон
  12. Анабиоз в Антарктиде
  13. Техническое обеспечение анабиоза
  14. Бессмертие и вера
  15. Библиотека Ordo Deus
  16. Контактная страница Ordo Deus

Текома

Текома (thecoma; латынь theca, греческий theke оболочка + -oma; синонимы: тека-клеточная опухоль, ксантоматозная тека-клеточная фиброма) — гормональноактивная опухоль яичника. В качестве самостоятельной нозологической формы Текома выделили Леффлер (Е. Loffler) и Призель (A. Priesel) в 1932 год По классификации ВОЗ Текома относят к опухолям стромы полового тяжа, к группе теком — фибром.

Этиология и гистогенез Текома точно не установлены. Возникновение этих опухолей одни исследователи связывают с сохранением в яичнике взрослой женщины эмбриональной мезенхимы, другие — с клетками теки (оболочки) фолликула. Встречаются Текома реже других гормональноактивных опухолей (смотри полный свод знаний), особенно гранулезоклеточных, яичника (смотри полный свод знаний), однако у женщин старше 50 лет опухоли этих типов бывают примерно с одинаковой частотой. Среди вирилизирующих опухолей яичника Текома являются наиболее часто встречаемыми опухолями после андробластом.

Злокачественные Текома встречаются редко, в среднем в 4—5% случаев опухолей яичников.

Текома, в основном, обладают выраженной андрогенной активностью (смотри полный свод знаний: Андрогены). Конечными продуктами гормоногенеза в опухоли чаще всего являются андростендион (смотри полный свод знаний: 17-кетостероиды) и тестостерон (смотри полный свод знаний), причём Текома вырабатывают их в столь значительных количествах, что вызывают изменения в соответствующих органах и тканях-мишенях, приводя к вирилизации (смотри полный свод знаний).

Текома, как правило, представляет собой доброкачественную одностороннюю опухоль яичника без видимой на глаз капсулы, диаметр опухоли от 1 до 5 сантиметров, редко Текома достигают 25—30 сантиметров. Консистенция Текома плотноэластическая, цвет серовато-розовый или желтоватый, поверхность разреза гладкая или мелкобугристая. Текома с вирилизирующим эффектом на разрезе большей частью имеют охряно-желтый цвет, нередко пятнистые. Дистрофические процессы, особенно в крупных опухолях, приводят к появлению гладкостенных полостей, заполненных серозным или желеобразным содержимым, иногда с примесью крови. В яичнике, в котором локализуется опухоль, корковое вещество большей частью сохраняется, но находится в состоянии выраженной атрофии, особенно его межуточная ткань. Противоположный яичник гипопластичен, хотя иногда отмечают очаговую гиперплазию стромы и (или) текоматоз.

Микроскопическое строение опухоли характеризуется значительным разнообразием, которое зависит прежде всего от величины, формы и функционального состояния опухолевых клеток, а также от состояния стромы опухоли. Вместе с тем для Текома характерны два основных типа клеточных элементов: эпителиоидные и веретенообразные. Разнообразие Текома объясняется, в основном, соотношением клеток этих типов и наличием большого количества переходных форм между ними. Гистологически различают также два основных типа Текома, опухоли одного из них образованы эпителиоидными клетками, сходными с клетками внутренней теки (оболочки) фолликулов (theca interna folliculi), опухоли другого типа образованы веретенообразными клетками, придающими им сходство с фибромой яичника. От фибром такие Текома отличаются прежде всего своей способностью синтезировать половые стероидные гормоны (смотри полный свод знаний), кроме того, клетки паренхимы Текома в подавляющем большинстве случаев содержат в цитоплазме липидные включения, преимущественно свободного или этерифицированного холестерина (смотри полный свод знаний), и каждая клетка паренхимы Текома, в отличие от клеток фибром, окружена аргирофильными волокнами (смотри полный свод знаний). Опухоли этого типа образованы переплетающимися пучками веретенообразных клеток без чётких клеточных границ с относительно большими, вытянутыми, интенсивно окрашивающимися ядрами, иногда могут быть видны нежная хроматиновая сеть и чётко различимые ядрышки. Строма опухоли представлена рыхлой соединительной тканью, иногда отмечают фиброз и гиалиноз стромы. Капиллярная сеть таких Текома хорошо развита, но при обычном микроскопическом исследовании она не бросается в глаза. Опухоли второго типа часто содержат то или иное количество эпителиоидных клеток, располагающихся, в основном, по периферии в виде гнезд или тяжей.

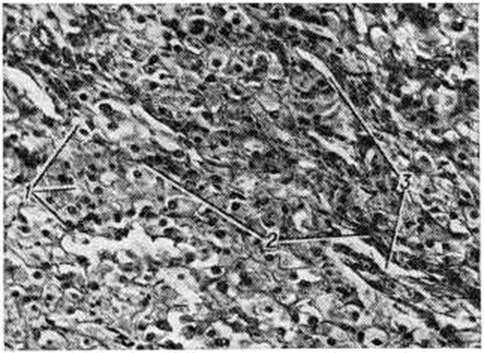
Эпителиоидный компонент в обоих типах Текома представлен большими округло-полигональными клетками, формирующими тяжи, поля и гнезда, разделенные соединительнотканными прослойками с большим количеством капилляров (рисунок).

Клеточные границы хорошо различимы, цитоплазма обильная, оксифильная, мелкозернистая с разным количеством различных по размеру вакуолей. Вакуолизация цитоплазмы этих клеток обусловлена растворением липидных включений в процессе гистологической обработки ткани. Ядра эпителиоидных клеток большей частью округлые, относительно большие, часто с чётко различимыми ядрышками. Локализация ядер и их структура нередко зависят от количества липидов в цитоплазме: чем больше число липидсодержащих включений в цитоплазме, тем ближе к периферии клетки располагается ядро и тем меньше оно по размеру и плотнее по консистенции. В эпителиоидных опухолевых клетках обнаружена очень высокая активность 3β-гидроксид-Δ5-стероид-дегидрогеназы (КФ 1.1.1.145), глюкозо-6-фосфат—дегидрогеназы (КФ 1.1.1.49), НАД и НАДФ-тетразолий-редуктазы и других ферментов, что отражает высокую функциональную активность этих клеток. Наблюдают определенную зависимость между активностью ферментов стероидогенеза и содержанием липидов в клетке: чем больше липидных включений в цитоплазме, особенно этерифицированного холестерина, тем ниже активность этих ферментов, и, наоборот, чем меньше содержание липидов, тем выше активность ферментов стероидогенеза. Для ультраструктуры клеток паренхимы Текома характерно наличие большого числа митохондрий, хорошо развитого комплекса Гольджи и разнообразие липидных включений.



Информация об Ordo Deus Перейти в оглавление сайта

Рис
Микропрепарат текомы эпителиоидно-клеточного типа: 1 — эпителиоидные клетки округлой и полигональной формы; — соединительнотканные прослойки; — капилляры; окраска гематоксилинэозином; ×400.



Для злокачественных Текома гистологически характерны явления клеточного и ядерного полиморфизма, атипичные фигуры митоза (смотри полный свод знаний) и явления деструирующего роста.

По клиническим проявлениям различают феминизирующий и вирилизирующий варианты теком. Возникают текомы в любом возрасте, хотя текомы с феминизирующим эффектом чаще наблюдают у женщин в постклимактерическом периоде. Вирильный синдром является ведущим в клинические, проявлениях Текома, образованных эпителиоидными клетками. Текома, образованные преимущественно веретенообразными клетками, чаще всего сопровождаются явлениями гиперэстрогенизации, хотя в крови, оттекающей от яичника с Текома, и в самой опухоли обнаруживают большие количества андрогенов, особенно андростендиона. Высокая концентрация эстрогенов (смотри полный свод знаний) в периферической крови у таких больных, что и определяет феминизирующий эффект опухоли, обусловлена, по всей вероятности, ароматизацией андростендиона опухолевого происхождения на периферии. Текома нередко сочетаются с гранулезоклеточными опухолями яичников, образуя в этих случаях опухоли сложного строения. Вирилизирующий эффект опухолей такого рода обусловлен присутствием в них тека-клеточного компонента.

Феминизирующие варианты Текома у детей приводят к преждевременному половому созреванию. Наиболее частым клиническим симптомом у больных в климактерическом периоде (смотри полный свод знаний) и постклимактерическом периоде является меноррагия (смотри полный свод знаний: Маточные кровотечения). У женщин в репродуктивном возрасте нарушается менструальный цикл (смотри полный свод знаний), развивается вторичная аменорея (смотри полный свод знаний), нередко сменяющаяся маточными кровотечениями. Эти явления наблюдаются при разнообразных вариантах гиперплазии эндометрия, иногда при миоме матки и редко — при раке эндометрия (смотри полный свод знаний: Матка).

Очень редко Текома клинически проявляются выраженным вирильным синдромом (вирилизирующий вариант Текома), развитие которого начинается с явлений дефеминизации: прекращаются менструации, наступает бесплодие, гипотрофия молочных желёз, появляется оволосение на лице и теле по мужскому типу, гипертрофируется клитор, голос делается грубым. В плазме периферической крови, как и в крови, оттекающей от яичника на стороне опухоли, отмечают резкое повышение содержания тестостерона.

Предварительный диагноз Текома ставят на основании наличия вирильного синдрома или клинические, картины гиперэстрогенизации и данных лабораторного исследования, прежде всего повышенных концентраций тестостерона, андростендиона и эстрогенов в плазме крови. Для уточнения источника избыточно образуемых половых гормонов (смотри полный свод знаний) применяют пробу с угнетением функции коркового вещества надпочечников дексаметазоном (смотри полный свод знаний: Дексаметазоновая проба) и стимуляции на этом фоне функции яичников хорионическим гонадотропином человека (смотри полный свод знаний: Хорионический гонадотропин). Для топической диагностики проводят рентгенологическое исследование органов малого таза: пневмопельвиорентгенографию или тазовую ангиограммерафию (смотри полный свод знаний).

Дифференцировать Текома приходится с фибромой, опухолями коркового вещества надпочечников (смотри полный свод знаний), другими вирилизирующими и феминизирующими опухолями яичников, а также с текоматозом яичников. Решающим в установлении диагноза является гистологическое исследование удаленной опухоли.

Лечение оперативное. Операция должна быть щадящей, особенно у детей и у женщин в репродуктивном возрасте: удаляют опухоль, сохраняя, по возможности, неизмененную овариальную ткань. Удаление опухоли сопровождается исчезновением всех клинические, проявлений заболевания. Только девочки с преждевременным половым созреванием нередко остаются низкорослыми.

Прогноз, как правило, благоприятный. Даже при злокачественных Текома своевременно проведенная операция даёт благоприятный исход; рецидивы и метастазы возникают редко.

Смотри полный свод знаний: Яичники, опухоли.

Бронштейн М.Э.

⇐ Перейти на главную страницу сайта

⇑ Вернуться в начало страницы ⇑

Библиотека Ordo Deus ⇒

⇐ Тезаурисмозы

⇓ Полный свод знаний. Том первый А. ⇓

Телалгия ⇒

Все статьи в полном изложении, Вы можете найти в большой медицинской энциклопедии — Главный редактор: академик АН СССР (РАН) и АМН СССР (РАМН) Б.В. Петровский. — Москва издательство «Советская энциклопедия» 1989г.

Внимание! Вы находитесь в библиотеке «Ordo Deus». Все книги в электронном варианте, содержащиеся в библиотеке «Ordo Deus», принадлежат их законным владельцам (авторам, переводчикам, издательствам). Все книги и статьи взяты из открытых источников и размещаются здесь только для чтения.

Вся информация на сайте Ordo Deus находится в свободном доступе. Ordo Deus не предоставляет информацию на платной основе.

Все авторские права сохраняются за правообладателями. Если Вы являетесь автором данного документа и хотите дополнить его или изменить, уточнить реквизиты автора, опубликовать другие документы или возможно вы не желаете, чтобы какой-то из ваших материалов находился в библиотеке, пожалуйста, свяжитесь с нами по e-mail:
info @ ordodeus. ru
Формы для прямой связи с нами находятся в нижней части страниц: контакты и устав «Ordo Deus», для перехода на эти страницы воспользуйтесь кнопкой контакты вверху страницы или ссылкой в оглавлении сайта.

Вас категорически не устраивает перспектива безвозвратно исчезнуть из этого мира? Вы не желаете закончить свой жизненный путь в виде омерзительной гниющей органической массы пожираемой копошащимися в ней могильными червями? Вы желаете вернувшись в молодость прожить ещё одну жизнь? Начать всё заново? Исправить совершённые ошибки? Осуществить несбывшиеся мечты? Перейдите по ссылке: «главная страница».

© Ordo Deus, 2010. При копировании ссылка на сайт http://www.ordo-deus.ru обязательна.