Спонгиобластома полярная
Спонгиобластома полярная (spongioblastoma; греческий spongia губка + blastos росток, зародыш + -oma; синонимы примитивная полярная спонгиобластома) — злокачественная опухоль центральной нервной системы.
Термин «полярная спонгиобластома» является спорным, от него неоднократно отказывались как от устаревшего и в отечественной литературе, в настоящий, время он не принят. Однако в Международной гистологической классификации опухолей центральная нервная система вновь введен термин «примитивная полярная спонгиобластома» для обозначения злокачественных опухолей макроглиального ряда.
Спонгиобластома полярная составляет, по данным разных исследователей, 3,7—7,1% от всех глиом и 1,5—1,7% от всех опухолей центральная нервная система Наблюдается в детском и юношеском возрасте.
Преимущественная локализация Спонгиобластома полярная— зрительный перекрест, таламус, средний мозг, дно четвертого желудочка, варолиев мост (мост головного мозга), мозжечок, полушария головного мозга, спинной мозг.
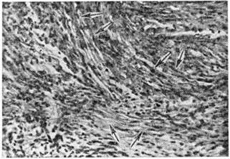
Макроскопически Спонгиобластома полярная имеет вид хорошо отграниченного узла белого или бело-серого цвета плотной консистенции (рисунок 1), часто с кистами, реже с очагами кровоизлияний на разрезе. Микроскопически Спонгиобластома полярная состоит из веретенообразных вытянутых клеток (спонгиобластов) с овальными или круглыми светлыми ядрами, содержащими большое количество хроматина. Клетки располагаются параллельно, формируют пучки различной толщины, переплетающиеся в различных направлениях (рисунок 2). Митозы немногочисленны. Для Спонгиобластома полярная характерны гидропическая и слизистая дистрофия клеток с вакуолизацией цитоплазмы. Кровеносных сосудов в опухоли немного, пролиферация эндотелия не наблюдается.
По своей гистологический структуре Спонгиобластома полярная может быть похожа на веретенообразно-клеточную саркому. В дифференциальной морфологический диагностике этих опухолей помогает импрегнация по методу Рамон-и-Кахаля (смотри полный свод знаний: Рамон-и-Кахаля методы), а также импрегнация серебром (смотри полный свод знаний: Серебрения методы).
|