Ревматизм

Оглавление

  1. Дорога к бессмертию
  2. Бессмертие и религия
  3. Философия бессмертия
  4. Бессмертие и наука
  5. История анабиоза
  6. Смерть
  7. Кора головного мозга
  8. Бессмертие и анабиоз
  9. Анабиоз, медицина и биология
  10. Анабиоз и экономика
  11. Анабиоз и закон
  12. Анабиоз в Антарктиде
  13. Техническое обеспечение анабиоза
  14. Бессмертие и вера
  15. Библиотека Ordo Deus
  16. Контактная страница Ordo Deus

Ревматизм

Ревматизм (греческий rheumatismos истечение, ревматическое страдание; синонимы: острая ревматическая лихорадка, болезнь Сокольского — Буйо, ревматическая лихорадка, болезнь Буйо, истинный ревматизм) — системное воспалительное заболевание соединительной ткани с преимущественной локализацией процесса в сердечно-сосудистой системе, развивающееся у предрасположенных к нему лиц, главным образом молодого возраста (7—15 лет), в связи с инфекцией β-гемолитическим стрептококком группы А.

Оглавление

История

Статистика

Этиология и патогенез

Патологическая анатомия

Классификация

Основные клинические проявления ревматизма, его течение и диагностика

Критерии диагностики ревматизма

Лечение

Прогноз

Профилактика

История

Первые сведения о Ревматизм как о заболевании суставов встречаются в древнекитайской медицине. Гиппократом (460—377 годы до нашей эры) описана клиника классического острого ревматического мигрирующего полиартрита и подмечен факт преимущественного развития заболевания у лиц молодого возраста. К. Гален был, очевидно, первым, кто в соответствии с господствовавшими в ту пору воззрениями гуморалистов ввёл понятие ревматизм. Выделение Ревматизм как общего заболевания организма, признание ревматической природы хореи произошло в 17 век и связано с работами Байю (G. Baillou) и Т. Сиденгама. Первыми исследователями, признавшими связь ревматизма с поражением сердца, были, вероятно, английский врач Питкерн (D. Pitcairn, 1788) и русский врач Ф. Волковинский (1818). Однако до появления работ Ж. Буйо (1835, 1840) и Г. И. Сокольского (1836, 1838), давших независимо друг от друга чёткое описание ревматического поражения сердца с образованием пороков его клапанов, среди врачей господствовало представление о Ревматизм лишь как о болезни суставов. Дальнейшим этапом развития учения о Ревматизм следует считать признание его рядом исследователей (С. П. Боткин, 1888; Г.М. Малков, 1900, и другие) системным органным заболеванием с вовлечением в патологический процесс не только сердца и суставов, но и других органов. Начиная с работ Л. Ашоффа, описавшего характерные для Ревматизм гранулемы в миокарде, Л. Ашоффом, В. Т. Талалаевым, М. А. Скворцовым, И. В. Давыдовским, Н. А. Краевским, А. И. Струковым, Г. В. Орловской, Н. Н. Грицман и другие был проведён цикл анатомических и гистоморфологических исследований, приведших к признанию почти обязательного поражения сердца при Ревматизм и к трактовке заболевания с клинико-анатомических позиций. Включение ревматизма в группу аллергических, а затем инфекционно-аллергических заболеваний основывалось на трудах Г. М. Малкова (1900), Вайнтрауда (W. Weintraud, 1913), Клинге (F. Klinge, 1932), Д. Е. Альперна (1934), Н. Д. Стражеско (1935), Коберна (A. F. Coburn, 1932), В. И. Иоффе (1962), И. М. Лямперт с соавторами (1963), клинических и теоретических обобщениях М. П. Кончаловского, М. В. Черноруцкого и другие Оригинальным отечественным направлением в понимании механизмов развития ревматического процесса явились попытки обоснования неврогенного и инфекционно-неврогенного патогенеза Ревматизм, представленные в работах А. Д. Сперанского (1934), Н. И. Лепорского (1933), А. И. Нестерова (1952), И. В. Воробьева (1952), В. Г. Вогралика (1953), М. В. Черноруцкого (1955) и другие. Они установили факты, подтверждающие участие нервной системы в формировании многих клинических проявлений Ревматизм. Однако роль нервной системы переоценивалась. Вместе с тем накопленный фактический материал, несомненно, может оказаться полезным при разработке системного принципа в формировании представлений о патогенезе заболевания. Одно из ведущих мест в разработке современных представлений о клинике Ревматизм принадлежит отечественным клиницистам.

Помимо работ Г. И. Сокольского и С. П. Боткина, существенным вкладом в изучение клинических форм, вариантов течения, диагностических критериев Ревматизм явились посвящённые этим проблемам труды С. С. Зимницкого, Н. Д. Стражеско, М. П. Кончаловского, Г. Ф. Ланга, А. И. Нестерова, Б. А. Егорова, М. В. Черноруцкого, В. Е. Незлина, Э. М. Гельштенна, П. Е. Лукомского, А. Б. Воловика, О. Д. Соколовой-Пономаревой, А. В. Долгополовой и многих других отечественных терапевтов и педиатров. Особенно необходимо отметить заслуги А. А. Киселя, который задолго до появления работы Джонса (Т. D. Jones) выделил пять «абсолютных признаков ревматизма»: ревматические узелки, кольцевую эритему, хорею, мигрирующий полиартрит и кардит. Поэтому закономерно диагностические критерии ревматизма именовать критериями Киселя — Джонса.

Последний период в развитии учения о Ревматизм характеризуется признанием этиологической роли Р-гемолитического стрептококка группы А и выдвижением А. И. Нестеровым (1973) клинико-иммунологической концепции патогенеза Ревматизм, с чем связаны основные достижения в борьбе с Ревматизм, приведшие к значительному снижению заболеваемости в нашей стране.

Статистика

Ревматизм распространён во всем мире. Заболеваемость Ревматизм существенно не зависит от климатогеографических условий, но чётко связана с экономическим уровнем развития той или иной страны (значительная распространённость болезни в развивающихся странах и относительно небольшая — в экономически развитых). Однако существующая информация о заболеваемости и распространённости Ревматизм далеко не всегда достоверна, что в значительной мере объясняется отсутствием в большинстве стран обязательной регистрации впервые заболевших, трудностью диагностики и нередко неадекватными популяционными эпидемиологическими исследованиями. Более достоверны данные о смертности от ревматизма. Например, в Дании, по данным Столлермана (G. Н. Stollerman, 1975), смертность от Ревматизм за 100 лет (1862—1962) снизилась с 200 до 11 на 100 000 населения. В Советском Союзе отмечается существенное снижение смертности и первичной заболеваемости. Так, в осуществлённом Институтом ревматологии АМН СССР десятилетнем проспективном изучении первичной заболеваемости Ревматизм (у полумиллионного населения двух районов год Москвы) показано её снижение с 1970 по 1979 год в 2½ раза (с 0,17 до 0,07 на 1000 человек), а среди детей, по данным З. П. Анненковой (1981), даже в три раза — с 0,54 до 0,18 на 1000 детского населения. Сходные данные приводят и другие исследователи. Эта благоприятная динамика связана с такими социальными факторами, как рост благосостояния населения нашей страны, улучшение жилищных условий, а также в значительной мере и результатами научно обоснованной системы организации ревматологической помощи и комплексной профилактики заболевания. Вместе с тем прогрессивное снижение заболеваемости в 60-е годы как в СССР, так и в других экономически развитых странах в последнее десятилетие сменилось тенденцией к стабилизации показателей.

В то же время распространённость ревматических пороков сердца все ещё остаётся высокой (1,4% от всей популяции, по эпидемиологическим данным Л. И. Беневоленской с соавторами, 1981), однако это обстоятельство связано с рядом положительных тенденции в состоянии здоровья этой категории населения: увеличением продолжительности жизни больных и снижением смертности в связи с отсутствием активности Ревматизм благодаря проведению повсеместной бициллинопрофилактики и своевременного противоревматического лечения.

Этиология и патогенез

Ведущей концепцией развития Ревматизм является стрептококковая теория, подтверждённая не только теоретическими исследованиями, но и более чем двадцатилетней лечебно-профилактической деятельностью ревматологов всего мира.

Развитию Ревматизм обычно предшествует ангина (смотри полный свод знаний) или острое респираторное заболевание, вызванные β-гемолитическим стрептококком группы А (смотри полный свод знаний: Стрептококки), о чем косвенно свидетельствует обнаружение у преобладающего большинства больных Ревматизм в сыворотке крови высоких титров различных противострептококковых антител: антистрептолизина-О (АСЛ-О), антистрептогиалуронидазы (АСГ), антистрептокиназы (АСК), антидезоксирибонуклеазы В (анти-ДНК-азы В). Значение стрептококковой инфекции в развитии Ревматизм подтверждается и тем, что заболевание может быть предотвращено тщательным лечением ангины и воспалительных заболеваний носоглотки. Связь Ревматизм со стрептококковой инфекцией обосновывается и данными эпидемиологических исследований, проведёнными в школах-интернатах, военных училищах, казармах для военнослужащих. Установлены корреляции между заболеваемостью инфекционные болезнями носоглотки и острой ревматической атакой, совпадение кривых заболеваемости ангиной, скарлатиной и Ревматизм Эпидемиологические исследования также показывают, что одним из условий возникновения первичного Ревматизм является тяжесть стрептококковой инфекции и длительное носительство стрептококка при недостаточном лечении ангины. По данным Баума (J. Baum, 1979), титры противострептококковых антител выше именно у тех больных, у которых Ревматизм развился после ангины.

А. С. Лабинская (1975) установила наличие в зеве стрептококка в первые 2 недели заболевания у 100% больных первичным и у 90% больных возвратным ревматизмом. По данным Е. II. Пономаревой (1971), освобождение от носительства стрептококка происходит быстрее при первичном, чем при возвратном Ревматизм, но в обоих случаях необходимо длительное введение пенициллина и бициллина.

До настоящего времени обсуждается вопрос о существовании «ревматогенных» штаммов стрептококка. По данным Столлермана (G. Н. Stollerman, 1975), к «ревматогенным» относятся штаммы стрептококков, лишённых липопротеиназы («фактора помутнения»). Он предполагает, что развитие кардита, полиартрита, хореи и других клинических проявлений Ревматизм обусловлено разными «ревматогенными» штаммами стрептококка. Этой точке зрения противоречат данные Е. П. Пономаревой и А. С. Лабинской с соавторами, показавших, что в зеве больных Ревматизм в активной фазе заболевания обнаруживаются 15—20 серотипов стрептококка, которые могут быть и у Клинически здоровых лиц и больных другими стрептококковыми инфекциями. Однако проблема «ревматогенных» штаммов стрептококка все ещё привлекает внимание в связи с известным фактом развития эпидемических ангин, после которых заболеваемость ревматизмом в 10 раз выше, чем после спорадических. По мнению А. С. Лабинской и В. Д. Белякова (1978), формирование «ревматогенного потенциала» стрептококка происходит в ходе эпидемического процесса, в так называемый закрытых коллективах. Развитие Ревматизм после перенесённой стрептококковой инфекции скорее связано, однако, не с особым штаммом микроба с «ревматогенными» свойствами, а с массивностью инфекции и длительностью носительства стрептококка — важными факторами в развитии противострептококкового иммунного ответа, без которого, как и без самой инфекции, не может развиться Ревматизм

Своеобразна роль стрептококковой инфекции в развитии возвратного ревматизма. В этом случае, по данным Столлермана (1964), наблюдается более длительное носительство стрептококка в носоглотке и большая чувствительность больных к заражению новым для них серотипом стрептококка, однако без развития адекватного антистрептококкового иммунного ответа (титры противострептококковых антител обычно низки), что и послужило основанием для поисков других этиологических факторов, например, вирусов. Г. Д. Залесский и его сотрудники придают значение в развитии Ревматизм, особенно возвратного, развивающегося на фоне пороков сердца, вирусам типа Коксаки А13 (так называемый вирус ревматизма), а В. П. Казначеев — вирусно-стрептококковой ассоциации.

В последнее время активно разрабатывается вопрос о роли безоболочечных форм стрептококка (смотри полный свод знаний: L-формы бактерий) в развитии Ревматизм, главным образом возвратного. Обнаружение антител к L-формам стрептококка преимущественно у больных с затяжным, непрерывно-рецидивирующим течением Ревматизм тяжёлых основание думать о роли этих трансформированных стрептококков в прогрессировании Ревматизм По мнению В. Д. Тимакова и Г. Я. Каган (1973), А. С. Лабинской и В. Д. Белякова (1978) и другие, образование L-форм стрептококка приводит к длительному сохранению его в организме больного, а реверсия их (то есть обратное превращение) в исходный вид способствует рецидивам Ревматизм, которые могут развиваться без заражения новым серотипом стрептококка, в результате активации персистирующей в организме стрептококковой инфекции.

О значении предрасположения к развитию заболевания свидетельствует развитие первичного Ревматизм после перенесённых стрептококковых инфекций лишь у части лиц; согласно данным ВОЗ (1968),—от 0,1—0,3% в общей популяции и у 3 % в некоторых военных лагерях и казармах. Действительно, накоплено немало данных о неразрывной связи двух факторов при Ревматизм— стрептококковой инфекции и предрасположенности. Так, известно, что в семьях больных Ревматизм отмечается более высокая частота носительства стрептококковой инфекции и распространённости Ревматизм, чем в популяции. Для развития Ревматизм важны не только интенсивность стрептококковой инфекции, но и особенности реакции организма на стрептококковые антигены, в частности продолжительность антистрептококкового гипериммунного ответа, что особенно очевидно при первичном ревматизме (противострептококковые антитела сохраняются у этих больных в высоких титрах и после наступления клинико-лабораторной ремиссии).

Причины необычной длительности антистрептококкового гипериммунного ответа у больных Ревматизм ещё не ясны. Обсуждается роль генетически обусловленного дефекта элиминации стрептококка из организма, повышенной восприимчивости к внутрибольничной стрептококковой инфекции, которая развивается у больных Ревматизм уже после первой атаки.

Предрасположенность к Ревматизм не ограничивается только особой реактивностью иммунной системы на стрептококковую инфекцию, а, по-видимому, носит многофакторный характер. Проверка различных генетических гипотез показала, что тип наследования Ревматизм соответствует мультифакториальным моделям. Обследование семей больных Ревматизм выявило наличие заболевания у 9,6% их родителей и у 8,2% детей, что в 4 раза превышает частоту Ревматизм в популяции. Установлено также более частое развитие Ревматизм у сибсов (родных братьев и сестёр больного) в том случае, если кто-либо из их родителей болен Ревматизм Роль генетической предрасположенности при Ревматизм подтверждает и существенно более высокое распространение заболевания среди монозиготных близнецов, чем дизиготных (соответственно 37,7% и 6,6%).

Исследования генетических маркеров показали, что среди больных Ревматизм чаще наблюдаются лица (с группами крови А и В. У больных Ревматизм с группой крови В обнаруживались более высокие титры антистрептолизина-О, что может свидетельствовать о повышенной чувствительности к стрептококку людей с этой группой крови.

В последние годы ведутся интенсивные исследования связи отдельных ревматических заболеваний с иммуногенетическими факторами, в частности системой антигенов гистосовместимости — HLA (смотри полный свод знаний: Иммунитет трансплантационный, антигены гистосовместимости). Забриски (J. В. Zabriskie, 1976) обратил внимание на снижение частоты HLA АЗ у больных Ревматизм детей, а Йосиноя (Joshinoya) с соавторами (1980) выявил у них повышенную частоту HLA В5. Баум (J. Baum, 1979) сообщает о двух сериях исследований: в одной у больных Ревматизм была обнаружена достоверно повышенная частота HLA В35, а при наличии ревмокардита чаще регистрировался HLA В18 антиген; в другой серии — различий у больных Ревматизм по сравнению с популяцией обнаружено не было.

Стрептококк оказывает на организм человека воздействие различными внутриклеточными антигенами (смотри полный свод знаний) и внеклеточными экзоферментами. Среди первых важнейшее значение имеют М-протеин клеточной стенки (фактор вирулентности), гиалуроновая кислота капсулы и многочисленные антигены цитоплазматической мембраны. Ко вторым относятся разнообразные продукты жизнедеятельности стрептококка — экзоферменты, такие как стрептолизин-О и S, гиалуронидаза, стрептокиназа, дезоксирибонуклеаза В и другие Как те, так и другие вызывают развитие иммунной реакции с повышенным образованием и длительной циркуляцией различных противострептококковых антител (смотри полный свод знаний), нарушают фагоцитарную активность нейтрофилов, что способствует длительной персистенции стрептококка.

Среди механизмов развития таких клинических проявлений Ревматизм, как кардит, полиартрит, хорея, кольцевидная эритема, наибольшее значение придаётся иммунному типу воспаления, иммунопатологическим реакциям, в развитии которых стрептококковые антигены и антитела принимают самое активное участие (смотри полный свод знаний: Иммунопатология). Предполагается, что в развитии тканевых повреждений при Ревматизм большое значение могут иметь перекрёстно реагирующие антитела, то есть такие антитела, которые, образуясь в ответ на антигены стрептококка, реагируют с тканевыми антигенами организма. Была обнаружена перекрёстная реакция между полисахаридом стрептококка группы А и эпителиальными клетками (эпителиоретикулоцитами) вилочковой железы, с чем, по мнению И. М. Лямперт с соавторами (1975), связаны нарушения иммуносупрессорной функции вилочковой железы и функционирования Т-лимфоцитов, развитие клеточно-опосредованной аутоиммунной реакции.

Обнаружены и другие перекрёстно реагирующие антитела, в частности стрептококковые антитела, перекрёстно реагирующие с сарколеммальными антигенами миокарда.

Патогенетическое значение циркулирующих антикардиальных антител безусловно подтверждается обнаружением в ткани миокарда отложений (депозитов) иммуноглобулинов (смотри полный свод знаний) и комплемента (смотри полный свод знаний), на что впервые обратил внимание Каплан (М. Н. Kaplan) с сотрудники (1964) при исследовании сердца ребёнка, погибшего при явлениях панкардита. Фиксированные иммуноглобулины обнаруживаются в миокарде погибших от Ревматизм или в ткани ушек предсердий, удалённых при комиссуротомии. У больных Ревматизм выявляются также и другие антитела, которые могут иметь патогенетическое значение. В этой связи наибольший интерес представляют циркулирующие антитела к компонентам соединительной ткани — фибробластам, структурному гликопротеину, протеогликанам (смотри полный свод знаний: Аутоантитела).

Отмечены также нарушения клеточно-опосредованного иммунного ответа, например, к цитоплазматическому и мембранному антигенам стрептококка, к стрептококковым мембранам и перекрёстно реагирующим антигенам. Работами Т. Д. Булановой (1976) и Уилльямса (М. Н. Williams) с соавторами (1976) показано нарушение в совместном ответе со стороны клеточного и гуморального звеньев иммунитета (смотри полный свод знаний), проявляющееся в изменении количественного соотношения Т и В-лимфоцитов (смотри полный свод знаний: Иммунокомпетентные клетки) и нарушении их функционирования.

При Ревматизм обнаруживают циркулирующие иммунные комплексы. В. А. Насонова с сотрудники (1982) показала высокую частоту циркулирующих иммунных комплексов при Ревматизм, в составе которых определяются антистрептолизин-О и G4 компонент комплемента. Более чем у половины больных Ревматизм, у которых выявлялись иммунные комплексы, отмечены различные типы нарушений сердечного ритма и проводимости, а у 1/3 больных — увеличение внутренних размеров левого желудочка сердца и снижение сократительной способности миокарда (по данным эхокардиографии). Корреляцию между высоким содержанием циркулирующих иммунных комплексов и развитием хореи у детей, больных Ревматизм, установил Уилльямс с сотрудники (1979). Можно думать, что стрептококковая инфекция способствует активации различных медиаторов воспаления и развитию микроциркуляторных нарушений.

Таким образом, Ревматизм тесно связан со стрептококковой инфекцией (Р-гемолитический стрептококк группы А), с которой он не только начинается, но которая в дальнейшем является причиной обострений болезни. Не исключено, что у ряда больных с хроническим течением Ревматизм (затяжным, латентным, непрерывно-рецидивирующим) стрептококковая инфекция в виде безоболочечных L-форм длительно персистирует в органах и тканях, способствуя сохранению патологического процесса, а обнаруженная в эксперименте кардиотропность многих антигенов и ферментов стрептококка (оболочечных, мембранных, цитоплазматических) — развитию и прогрессированию ревмокардита. Немаловажную роль при этом играет необычный иммунный ответ в виде избыточной гуморальной реакции на экзоферменты и антигены стрептококка, включая его L-формы, способность противострептококковых антител перекрёстно реагировать с тканевыми антигенами и образовывать циркулирующие иммунные комплексы, что приводит к развитию иммунопатологических процессов. По-видимому, имеет значение также нарушение клеточного звена иммунитета в виде накопления клона лимфоидных клеток, сенсибилизированных к стрептококковым и перекрёстно реагирующим антигенам. Все это способствует формированию ревматического воспаления, как неспецифического экссудативного, так и специфического гранулематозного (ашофф-талалаевская гранулема).

Патологическая анатомия

В основе тканевых изменений при Ревматизм лежит системная дезорганизация соединительной ткани (наиболее глубокая и прогрессирующая в сердце и сосудах) в сочетании со специфическими пролиферативными и неспецифическими экссудативно-пролиферативными реакциями, а также поражением сосудов микроциркуляторного русла.

Начиная с 50-х годов отмечается эволюция клинико-морфологических проявлений (патоморфоз) Ревматизм, что связано прежде всего с активно проводимой профилактикой и лечением заболевания. Прежде всего это относится к острым неспецифическим экссудативно-инфильтративным воспалительным процессам, связанным с гиперергическими реакциями. В частности, значительно реже встречаются острый синовит, полисерозит, ревматические узелки и менингоэнцефалит. По данным А. И. Лyкиной (1971), патоморфоз ревмокардита заключается в резком уменьшении случаев экссудативного миокардита и перикардита, многоклапанных пороков сердца, редкости обнаружения ашофф-талалаевских гранулем. Одновременно участились изолированные пороки митрального клапана.



Информация об Ordo Deus Перейти в оглавление сайта

Рис. 1.
Электронограмма эндокарда при ревматизме: набухание коллагеновых фибрилл и их расщепление на субфибриллы в очаге мукоидного набухания эндокарда; 1 — неизменённые фибриллы; 2 — расщепленные фибриллы; ×45 000.



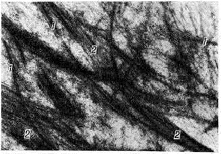
В. Т. Талалаев (1929) впервые выделил в цикле ревматического процесса экссудативно-альтеративную, гранулематозную и склеротическую стадии. Позднее А. И. Струков (1961, 1963) на основании гистохимического анализа показал, что первая стадия сводится не только к воспалению (смотри полный свод знаний), а проявляется своеобразной дезорганизацией (дистрофией) соединительной ткани. Он предложил разделить её на стадии мукоидного набухания и фибриноидных изменений.

Мукоидное набухание (смотри полный свод знаний: Белковая дистрофия) — наиболее ранняя, поверхностная обратимая фаза дезорганизации соединительной ткани, характеризующаяся мукоидным (базофильным) отёком, разлитой и очаговой метахромазией (смотри полный свод знаний), выявляющейся при окраске толуидиновым синим. При этом происходит не только истинное накопление кислых гликозаминогликанов за счёт их синтеза клетками, но и «демаскировка» реактивных групп гликозаминогликанов вследствие диссоциации белково-углеводных комплексов соединительной ткани под влиянием активированных протеолитических ферментов. Накопление свободных гликозаминогликанов, особенно гиалуроновой кислоты (смотри полный свод знаний), обусловливает повышенную гидратацию основного вещества соединительной ткани. Коллагеновые волокна набухают, происходит их разволокнение, но не изменяются красочные свойства. Волокна становятся неустойчивыми к действию микробной коллагеназы, что связано с изменением цементирующего вещества волокон (протеогликанов). При электронной микроскопии выявляется разволокнение волокон на фибриллы, реже расщепление фибрилл на субфибриллы (рисунок 1), усиление окраски рутениевым красным, связывающимся с углеводными компонентами.



Информация об Ordo Deus Перейти в оглавление сайта

Рис. 2.
Микропрепарат крупноклеточной ревматической гранулемы в зоне очага фибриноидного некроза миокарда; окраска гематоксилин-эозином; ×400.





Информация об Ordo Deus Перейти в оглавление сайта

Рис. 3.
Электронограмма макрофагоцита ревматической гранулемы: 1 — ядро; 2 — ядрышко; 3 — пластинчатый комплекс Гольджи; ×6 000.



Фибриноидные изменения (набухание, некроз) представляют собой следующую, необратимую фазу дезорганизаций соединительной ткани (фибриноид). По мнению А. И. Струкова (1974),фибриноид при Ревматизм связан с иммунокомплексным повреждением сосудистого русла и соединительной ткани. Он сопровождается поступлением в участки повреждения белков плазмы, в основном глобулинов (смотри полный свод знаний) и фибриногена (смотри полный свод знаний), которые образуют патологический комплексы с дезорганизованными протеогликанами и разрушенными коллагеновыми волокнами. Очаги фибриноида характеризуются последовательным набуханием, гомогенизацией, зернистым и глыбчатым распадом коллагеновых волокон, ослаблением их фуксинофилии и усилением пикринофилии при окраске по Ван Гизону, аргирофилией, ШИК-реакцией, красной окраской по Маллори или Гейденгайну (свидетельство наличия плазменных белков). Выделение А. И. Струковым (1961) на основании красочной реакции на фибрин двух форм фибриноида (с фибрином и без фибрина) является условным, так как биохимические, иммуно-гистохимические, поляризационно-оптические и электронно-микроскопические данные свидетельствуют о том, что фибрин выявляется при всех формах фибриноида. При электронной микроскопии в фибриноиде обнаружены все фазы деструкции коллагеновых фибрилл: слипание, потеря периодичности, фрагментация, расщепление на суб и протофибриллы с беспорядочным расположением последних. При фибриноидном некрозе обнаруживается также разрушение клеточных элементов (смотри полный свод знаний: Фибриноидное превращение). В первые две стадии дезорганизация соединительной ткани сопровождается лимфогистиоцитарной её инфильтрацией.

Гранулематозная реакция (третья стадия ревматического процесса) проявляется в сердце в виде специфической ревматической гранулемы, описанной впервые Л. Ашоффом (1904) и более детально В. Т. Талалаевым (1929) и потому носящей название ашофф-талалаевской гранулемы, или узелка (смотри полный свод знаний: Гранулема). Гранулема характеризуется скоплением клеток с гиперхромными ядрами и базофильной цитоплазмой вокруг мелких очагов фибриноидного некроза (ранняя стадия, или фаза становления гранулемы). Затем гранулема принимает характерное розетковидное строение (рисунок 2) с появлением крупных одно или многоядерных клеток (ашоффских клеток), выполняющих резорбтивную функцию (зрелая, или «цветущая», гранулема). В дальнейшем клетки гранулемы вытягиваются, приобретая черты фибробластов, фибриноидные массы исчезают, появляются новообразованные коллагеновые волокна («увядающая» и рубцующаяся гранулемы). Цикл занимает, по В. Т. Талалаеву, 3—4 месяца.

Клетки зрелой гранулемы гистохимически характеризуются высоким содержанием РНК, гликогена, окислительно-восстановительных ферментов, эстераз, кислых фосфатаз, аминопептидаз; они фиксируют иммуноглобулины и иммунные комплексы. При электронной микроскопии в ранних и зрелых гранулемах преобладают клетки типа макрофагов — макрофагоциты (рисунок 3), хотя и не обладающие выраженной способностью к фагоцитозу. Резорбция фибриноида осуществляется путём его межклеточного лизиса секретированными лизосомальными ферментами и последующего пиноцитоза (смотри полный свод знаний). В склерозирующихся гранулемах преобладают фибробласты. Так как трансформация макрофагов в фибробласты по современным представлениям невозможна, то последние, вероятно, являются продуктом независимой линии дифференцировки.

В гранулемах, помимо ашоффских клеток и фибробластов, встречаются так называемый клетки Аничкова (хроматин в их ядре расположен в виде «гусеницы»), лимфоциты, плазматические и тучные клетки, единичные нейтрофилы (в основном по периферии гранулем), а в миокарде также и гигантские клетки миогенного происхождения. Фассбендер (Н. G. Fassbender, 1975), помимо классической резорбтивной гранулемы, описывает также продуктивную гранулему без предшествующего фибриноида pi миогенную гранулему. Типичные ашофф-талалаевские гранулемы имеют нозологическую и органную специфику, возникая только в сердце (эндокарде, покрывающем стенки полостей сердца, то есть пристеночном эндокарде, клапанах, миокарде, реже в наружной оболочке сосудов). В других тканях, например, околосуставной, межмышечной, перитонзиллярной, обнаруживается неспецифическая гранулемоподобная клеточная реакция макрофагального происхождения.

Склероз (смотри полный свод знаний) является заключительной стадией ревматического процесса. Он развивается как исход гранулем и неспецифических воспалительных процессов (вторичный склероз) или как исход фибриноидных изменений без последующего образования гранулем (первичный склероз, гиалиноз). Гиалиноз ткани представляет собой уплотнение и гомогенизацию фибриноидных масс и превращение их в бедную клетками ткань, похожую на гиалиновый хрящ (смотри полный свод знаний: Гиалиноз). При электронной микроскопии среди гранулярного материала находят беспорядочные коллагеновые фибриллы. В основе гиалиноза лежит образование стабильных комплексов, состоящих из плазменных белков, иммунных комплексов и разрушенных коллагеновых волокон. В гиалинизированную ткань выпадают соли кальция (дистрофическое обызвествление), чаще всего в клапанах сердца.

Помимо вышеописанного процесса дезорганизации соединительной ткани и специфического гранулематоза, в клинике Ревматизм не меньшую роль играют неспецифические тканевые реакции, по существу определяющие активность болезни. К ним относятся острое экссудативно-инфильтративное воспаление миокарда, эндокарда, перикарда (особенно у детей), суставов и серозных оболочек; очаговые (реже диффузные) периваскулярные лимфогистиоцитарные инфильтраты в соединительной ткани различных органов.

К числу неспецифических, но чрезвычайно важных для патогенеза и морфогенеза Ревматизм процессов относятся изменения сосудов микроциркуляторного русла. Они обнаруживаются во всех органах, особенно отчётливо при специальных методиках импрегнации плёнчатых препаратов. Эти изменения больше всего выражены в капиллярах и артериолах и проявляются в очаговом разрыхлении и уплотнении базальных мембран, набухании, отёке, десквамации и последующей пролиферации эндотелия (ревматический эндотелиоз), что отмечается и при электронной микроскопии. В артериолах и артериях развивается деструктивно-продуктивный васкулит, периваскулярная клеточная инфильтрация, иногда плазматическое пропитывание, фибриноидное набухание и некроз стенки сосуда, реже тромбоз сосуда (смотри полный свод знаний: Васкулит).

Ревмокардит. Клинико-морфологическая картина Ревматизм и тяжесть заболевания в основном определяются поражением соединительной ткани сердца и сократительного миокарда. Ревматический процесс поражает все оболочки сердца, причём в зависимости от преимущественной локализации выделяют ревматический эндокардит, миокардит и перикардит. Одновременное развитие воспалительного процесса во всех оболочках сердца носит название панкардита (смотри полный свод знаний). При всем разнообразии тканевых изменений в сердце они укладываются в следующие основные проявления: дезорганизация соединительной ткани клапанов, пристеночного эндокарда, эпикарда, перикарда и стромы миокарда; специфические гранулематозные реакции в виде ашофф-талалаевских гранулем; неспецифические экссудативно-пролиферативные реакции, проявляющиеся в воспалении эндокарда, миокарда и перикарда; поражение кровеносных и лимфатических, сосудов сердца всех калибров — от крупных коронарных артерий до микроциркуляторного русла; изменения сократительного миокарда в виде гипертрофии, атрофии, дистрофии, некробиоза и внутриклеточной регенерации сердечных мышечных волокон; поражение проводящей системы и нервных элементов сердца; склеротические процессы, которые являются исходом всех этих изменений.

Особый интерес при ревмокардите вызывает вопрос о связи дезорганизации соединительной ткани и гранулематоза с активностью ревматизма. М. А. Скворцов (1938) указывал, что клинический симптомокомплекс ревматической атаки обусловливается экссудативными неспецифическими проявлениями, а специфические морфологический изменения соответствуют межприступному периоду и характеризуют клинически незаметное течение процесса. А. И. Струков на основании многолетних наблюдений выдвинул положение о ревматизме как непрерывном процессе, который протекает в виде чередования четырёх фаз дезорганизации, но без обязательного наличия гранулем. Они на секционном материале обнаруживаются в последние годы очень редко, по данным Робертса и Вирнани (W. С. Roberts, Virnani, 1978), всего в 2% случаев. При биопсии ушка левого предсердия, взятого во время митральной комиссуротомии, гранулемы, по данным Тодеси и Вагнера (Тоdeshi, Wagner, 1955), А. И. Струкова, Ревматизм А. Симаковой (1965), Н. Н. Грицман (1971), Робертса и Вирнани (1978), выявляются в 20—80% случаев. При этом отмечается отсутствие корреляции между наличием гранулем и клинико-лабораторными показателями активности Ревматизм

Клинической активности процесса в большей мере соответствуют такие неспецифические экссудативно-пролиферативные признаки, как набухание, пролиферация и десквамация эндотелия эндокарда и сосудов, отёк эндокарда и стромы миокарда, реакция клеток соединительной ткани в виде очаговой или диффузной лимфогистиоцитарной инфильтрации и фибробластической пролиферации. При определённой выраженности этих изменений возникает клинически диагностируемый ревмокардит.

Миокардит (смотри полный свод знаний) при Ревматизм подразделяют на три основные морфологический формы: узелковый продуктивный миокардит с развитием специфических гранулем в строме миокарда, чаще всего в периваскулярных пространствах; диффузный межуточный экссудативный миокардит с отёком и выраженной неспецифической нейтрофильно-лимфоцитарной инфильтрацией стромы миокарда; очагово-межуточный миокардит с преобладанием лимфогистиоцитарных элементов в инфильтрате. Фассбендер (1975), кроме продуктивной и экссудативной форм ревматического миокардита, выделяет мышечно-агрессивную, которая характеризуется активной клеточной деструкцией мышечных волокон миокарда.

Из всех отделов сердца воспалительным процессом чаще всего поражаются левый желудочек и сосочковые мышцы, затем последовательно: межжелудочковая перегородка, правое предсердие, правый желудочек, левое предсердие. Диффузный межуточных экссудативный миокардит, поражающий несколько отделов сердца, в настоящее время встречается редко, в основном у детей при очень активном процессе, иногда у пожилых больных. Он является, по-видимому, проявлением гиперергической реакции и имеет клинически неблагоприятное течение. М. А. Скворцов (1938), впервые подробно описавший эту форму миокардита у детей, отмечал серозный отёк, нейтрофильную и лимфогистиоцитарную инфильтрацию (смотри цветной рисунок 4), которые могут сопровождать специфический гранулематозный процесс, но могут быть и независимыми от него. Часто при этом возникают очаги некроза мышечных волокон.

Известно, однако, что дистрофия, некробиоз и даже некроз мышечных волокон миокарда могут развиваться и без миокардита, являясь следствием изменений микроциркуляции, нарушений метаболизма или прямого действия стрептококковых токсинов и антител. Такие изменения, усиливаясь при каждой ревматической атаке, лежат в основе нарушения сократительной функции миокарда и декомпенсации кровообращения. Ультраструктурным выражением дистрофических и некробиотических изменений мышечных волокон служат отёк саркоплазмы кардиомиоцитов, набухание, уплотнение, деструкция и лизис митохондрий, диссоциация и деструкция миофибрилл, контрактурное сокращение и частичный лизис саркомеров, вакуолизация и лизис трубчатых элементов саркоплазматической сети, увеличение числа лизосом и гранул пигмента, накопление жировых вакуолей, полиморфизм, пикноз и фрагментация ядер. Ультраструктурная картина отличается мозаичностью, что выражается в чередовании изменённых и неизменённых кардиомиоцитов, а также клеток с преобладанием признаков внутриклеточной регенерации. Гистохимически в миокарде наблюдается жировая дистрофия (смотри полный свод знаний) и белковая дистрофия (смотри полный свод знаний), снижение содержания гликогена, изменение активности ферментов, фуксинофилия.

В проводящей системе сердца при Ревматизм также обнаруживаются жировая дистрофия, фуксинофилия, атрофия и фрагментация проводящих мышечных волокон, а также явления фиброза. В нервных клетках интрамуральных ганглиев сердца наблюдаются вакуолизация цитоплазмы, пикноз и хроматолиз ядер, отёк и фрагментация аксонов и разволокнение нейрофибрилл в нервных волокнах.

Перикардит (смотри полный свод знаний) при Ревматизм имеет характер серозного, серозно-фибринозного или фибринозного; при последнем нередко наблюдается образование спаек. С перикардитом нередко сочетаются серозный или серозно-фибринозный плеврит (смотри полный свод знаний) и перитонит (смотри полный свод знаний), что позволяет говорить о ревматическом полисерозите, обычно возникающем в остром периоде болезни (смотри полный свод знаний: Полисерозит).

Изменения сосудов сердца играют важную роль в патогенезе ревмокардита. В сосудах микроциркуляторного русла сердца (капиллярах, артериолах, венулах) происходит набухание базальных мембран, отёк, десквамация и пролиферация эндотелия. В более крупных сосудах обнаруживают плазматическое пропитывание, фибриноидное набухание и сегментарный некроз стенок, продуктивный васкулит, иногда тромбоваскулит, периваскулярную инфильтрацию, позднее — склероз и гиалиноз. По вопросу о соотношении Ревматизм и атеросклероза единое мнение отсутствует, но Г. Л. Дерман и В. Д. Садчиков (1975), обнаружившие активизацию липазы в сосудах при Ревматизм, считают, как и Л. Е. Кременецкая (1970), что при ревматических пороках стенозирующий коронарный атеросклероз возникает реже.

Изменениям подвергаются также лимфатических, сосуды сердца. При остром экссудативном миокардите или перикардите отмечаются резкое расширение лимфатических, капилляров и лакун, разобщение эндотелия, лимфостаз (смотри полный свод знаний) и лимфоррагии (смотри полный свод знаний: Лимфорея). При латентном течении ревмокардита на фоне перестройки и частичного редуцирования лимфатических, сети с фиброзом стенок сосудов наблюдаются участки дилатации просвета, новообразование капилляров, лимфогистиоцитарная инфильтрация. Резорбционная недостаточность лимфообращения ведёт к усилению дистрофии миокарда и склерозу по ходу лимфатических, сосудов.

Исходом всех вышеописанных процессов при ревмокардите является кардиосклероз (смотри полный свод знаний), который, таким образом, можно считать следствием дезорганизации соединительной ткани (первичный склероз и гиалиноз), специфического гранулематоза (вторичный склероз), неспецифических воспалительных реакций, метаболических некрозов мышц (мелкоочаговый фиброз), нарушений гемо и лимфоциркуляции.

При ревматическом эндокардите поражаются створки клапанов сердца (клапанный эндокардит, или вальвулит), сухожильные хорды сердца (хордальный эндокардит) и пристеночный эндокард (париетальный эндокардит). Наиболее часто развивается клапанный эндокардит (смотри полный свод знаний). Частота поражения клапанов сердца имеет такую последовательность: митральный (левый предсердно-желудочковый), клапаны аорты, трёхстворчатый (правый предсердно-желудочковый) клапан и исключительно редко клапаны лёгочного ствола.

А. И. Абрикосов (1947) выделяет четыре формы ревматического эндокардита: диффузный, острый бородавчатый, фибропластический, возвратно-бородавчатый. Диффузный (простой) эндокардит (или вальвулит, по В. Т. Талалаеву) характеризуется мукоидным и фибриноидным набуханием поверхностных (реже глубоких) слоёв створок клапанов сердца с умеренной гистиоцитарно-фибробластической реакцией. При остром бородавчатом эндокардите, или тромбоэндокардите, к этому присоединяется деструкция эндотелиальной выстилки с образованием бородавчатых тромботических наложений на поверхности клапанов сердца. Фибропластический (фиброзный) эндокардит отличается преобладанием продуктивного компонента и усиленным фиброзом створок клапанов сердца. Он может быть исходом двух предыдущих форм. Возвратно-бородавчатый эндокардит возникает в склеротически изменённых и деформированных клапанах при повторных атаках (возвратный эндокардит) и проявляется в новых очагах дезорганизации, гранулематоза, повреждения эндотелия, тромботических наложений и их организации (рисунок 4).



Информация об Ordo Deus Перейти в оглавление сайта

Рис. 4.
Микропрепарат эндокарда при возвратно-бородавчатом эндокардите: тромботические наложения (указаны стрелками) на склерозированной створке клапана; окраска гематоксилин-эозином; ×200.





Информация об Ordo Deus Перейти в оглавление сайта

Рис. 5.
Микропрепарат синовиальной оболочки коленного сустава при остром ревматическом синовите: 1 — нейтрофильная инфильтрация; 2 — отёк синовиальной оболочки; 3 — частичная десквамация синовиоцитов; окраска гематоксилин-эозином; ×200.



Острый бородавчатый и возвратно-бородавчатый эндокардиты обнаруживаются обычно при активном Ревматизм, причём объем тромботических наложений соответствует степени активности процесса. Диффузный и фибропластический эндокардит чаще бывают при низкой активности заболевания. Острый бородавчатый эндокардит может осложняться тромбоэмболией сосудов большого круга кровообращения (смотри полный свод знаний: Тромбоэмболия).

Исходом эндокардитов является разрастание соединительной ткани створок клапанов и фиброзных колец сердца, а также организация тромбов с последующим фиброзом и гиалинозом этой ткани, что ведёт к склерозу, деформации, сращению и малоподвижности створок клапанов сердца. Это является морфологический основой формирования пороков сердца (смотри полный свод знаний: Пороки сердца приобретённые). Утолщение, укорочение и сращение сухожильных хорд, являющиеся следствием хордального эндокардита, ещё больше увеличивают деформацию и функциональную неполноценность клапанов. Исходом париетального эндокардита (фибропластического, острого бородавчатого или возвратно-бородавчатого) является очаговый склероз и гиалиноз пристеночного эндокарда, чаще левого желудочка.

Поражение суставов при Ревматизм При клинически выраженном полиартрите (смотри полный свод знаний) морфологически проявляется в гиперергическом остром серозно-фибринозном воспаленин синовиальной оболочки (синовиальная мембрана суставной капсулы) с выпотом в суставную полость (смотри полный свод знаний: Синовит). Наблюдаются гиперемия, отёк, фибринозное пропитывание и нейтрофильная инфильтрация синовиальной оболочки (рисунок 5), в меньшей степени фиброзной мембраны (волокнистого слоя), суставной капсулы и тканей, окружающих сустав. Воспаление (в отличие от ревматоидного артрита) не переходит в хроническое и не оставляет склероза. При отсутствии клинические, признаков воспаления суставов в синовиальной оболочке наблюдаются все фазы дезорганизации соединительной ткани и других структур, соответствующие активности ревматического процесса, явления васкулита и капиллярита, неспецифическая пролиферация макрофагов, фибробластов, тучных клеток. Редко встречаются гранулемоподобные макрофагальные очаговые пролифераты. Особенностями ревматического поражения суставов является меньшая, чем в сердце, глубина дезорганизации, обратимость процесса не только в фазе мукоидного набухания, но и в начальных стадиях фибриноидных изменений, отсутствие специфических гранулем, прогрессирующего склероза и гиалиноза.

Поражение нервной системы. Морфологически изменения при Ревматизм наблюдаются во всех отделах нервной системы. В основе изменений центральная нервная система лежит поражение сосудов мозга в виде фибриноидного набухания, реже некроза стенки с пристеночным тромбозом, пролиферации эндотелия, периваскулярной лимфогистиоцитарной инфильтрации, иногда инфильтрации всей стенки (панваскулит). Часто образуются небольшие узелки из скопления микроглии с примесью лимфоцитов и плазмоцитов. Как следствие сосудистых изменений развиваются периваскулярный отёк, диапедезные и более крупные кровоизлияния, небольшие очаги размягчения мозга.

В нервных клетках головного мозга и узлов симпатического ствола обнаруживаются дистрофические и некробиотические изменения, атрофия. Подобные изменения клеток полосатого тела, субталамических ядер, коры головного мозга и мозжечка могут лежать в основе малой хореи, встречающейся чаще у детей. В периферической нервной системе обнаруживаются очаги дезорганизации и очаговая (реже диффузная) клеточная инфильтрация в периневрии по ходу нервных стволов. Это ведёт к эпиневральному и периневральному фиброзу.

Поражение сосудов при Ревматизм проявляется в сочетании всех фаз дезорганизации, склероза и атипичных гранулем в наружной оболочке с клеточной инфильтрацией и изменением эластических волокон средней оболочки. В коронарных артериях обнаруживаются очаги некроза, панваскулит и выраженный склероз; в сосудах почек — плазматическое пропитывание, фибриноидное набухание, пролиферация клеток и склероз внутренней оболочки. Реже наблюдаются эндофлебиты (смотри полный свод знаний: Флебит) и тромбоваскулиты (смотри полный свод знаний). Может также возникнуть аортит (смотри полный свод знаний).

Поражение кожи и подкожной клетчатки. В остром периоде в дерме встречаются участки дезорганизации, сильнее выражены васкулит и эндотелиоз, очаговая воспалительная инфильтрация. Эти изменения отмечаются во внешне не изменённой коже. При кольцевидной эритеме и пурпуре в соответствующих участках наблюдаются выраженная воспалительная инфильтрация сосочков дермы и мелкие кровоизлияния на почве васкулита и капиллярита. Ревматические узелки, локализующиеся в коже и подкожной клетчатке, характеризуются очагами фибриноидного некроза с умеренной перифокальной макрофагально фибробластической реакцией, но без палисадообразного расположения клеток, свойственного ревматоидным узелкам.

Поражение других органов и тканей. В лёгких, помимо васкулита, отмечается диффузная или очаговая, реже узелковая интерстициальная инфильтрация межальвеолярных перегородок мононуклеарными клетками, скопление в просвете альвеол эозинофильных белковых мембран (продукты экссудации) и альвеолярных фагоцитов. По данным Н. А. Краевского (1941), при значительной выраженности этих изменений возникает своеобразная ревматическая пневмония.

Печень также вовлекается в ревматический процесс. При остром Ревматизм отмечены признаки повышенной проницаемости капилляров, васкулит, фибриноидные изменения сосудов и стромы, полиморфно-клеточная инфильтрация стромы, дистрофия гепатоцитов. В совокупности это может приводить к гепатиту (смотри полный свод знаний) и склеротическим изменениям в печени, которые усиливаются при венозном застое, связанном с формированием порока сердца.

В почках, кроме вышеописанных изменений сосудов всех калибров, может развиваться острый, а затем диффузный гломерулонефрит (смотри полный свод знаний) в связи с поражением базальных мембран почечных клубочков. В редких случаях это ведёт к развитию вторично-сморщенной почки.

В эндокринных железах на почве дезорганизации соединительной ткани и васкулита развивается межуточный фиброз с вторичной атрофией паренхимы. В надпочечниках наблюдается накопление кетостероидов в корковом веществе, что говорит о его гиперфункции.

В миндалинах часто отмечается картина хронического тонзиллита (смотри полный свод знаний), а в капсулах миндалин иногда образуются клеточные узелки, похожие на атипичные ревматические гранулемы. В лимфатических, фолликулах миндалин, лимфатических, узлов и селезёнки обычно видна выраженная плазмоклеточная реакция, отражающая иммунные сдвиги при Ревматизм

В скелетных мышцах при обострении Ревматизм наблюдаются очаги дезорганизации, серозное и инфильтративно-продуктивное межуточное воспаление, а в ряде случаев гранулемы, сходные (но не идентичные) с ревматическими гранулемами сердца.

Классификация

Отечественная ревматологическая школа строго выделяет из группы ревматических заболеваний истинный Ревматизм (болезнь Сокольского — Буйо), вкладывая в это понятие не только острые эпизоды («острая ревматическая лихорадка»), но и все этапы развития болезни с её склонностью к рецидивам и формированию клапанных пороков сердца. Последний вариант классификации и номенклатуры Ревматизм принят на симпозиуме Всесоюзного научного общества ревматологов в декабре 1964 год Выделяют активную и неактивную фазы болезни. При этом признается возможность перехода активного ревматического процесса в неактивную фазу заболевания и подразделение активной фазы на три степени активности. В качестве основной составной части понятия «активность» подразумевается прежде всего воспалительный ревматический процесс в органах и тканях в его клинико-лабораторном отображении. Вместе с тем принимается во внимание, что понятие «активность», как и понятие «болезнь», не исчерпывается только воспалением, но непременно включает в себя и элементы повреждения, дистрофии, многоплановый защитно-приспособительный, в том числе иммунный, ответ организма. По характеру течения выделяют острое, подострое, затяжное, непрерывно-рецидивирующее и латентное течение ревматического процесса. Клинико-анатомическая характеристика поражений сердца в активной фазе заболевания включает первичный ревмокардит без порока клапана, возвратный ревмокардит с пороком клапана и без явных изменений со стороны сердца, в неактивной фазе — ревматический миокардиосклероз и порок сердца.

Следует отметить, что при современном течении ревматизма возвратный миокардит иногда, особенно в детском возрасте, может быть без порока сердца, так же как и неактивная фаза характеризуется отсутствием изменений со стороны сердца (миокардиосклероз или порок сердца). В активной фазе болезни среди поражений других органов и систем выделяют полиартрит, серозиты (плеврит, перитонит, абдоминальный синдром), хорею, энцефалит, менингоэнцефалит, нервно-психические расстройства, нефрит, гепатит, поражение кожи и другие В неактивной фазе отмечаются остаточные явления перенесённых в активной фазе внесердечных поражений. Краткая клинико-лабораторная характеристика выделенных в классификации степеней активности ревматического процесса приводится в таблице 1.

Для характеристики особенностей течения Ревматизм использован клинико-временной принцип, в соответствии с которым активная фаза заболевания (ревматическая атака) может иметь острое, под острое и три варианта хронического течения: затяжное, непрерывно-рецидивирующее и латентное (таблица 2).



Информация об Ordo Deus Перейти в оглавление сайта





Информация об Ordo Deus Перейти в оглавление сайта



Таким образом, рабочая классификация позволяет оценить Ревматизм как патогенетически многоплановую болезнь у конкретного больного с дифференциацией по степени активности, характеру течения, с указанием на первичный или возвратный характер ревматического процесса, что в значительной мере помогает врачу в определении тактики ведения больного и организации индивидуализированного диспансерного наблюдения.

Основные клинические проявления ревматизма, его течение и диагностика

Несмотря на полиморфизм клинических проявлений Ревматизм, в его развитии отмечены чёткие закономерности, позволяющие выделить заболевание как строго очерченную нозологическую форму. К ним, в частности, следует отнести связь Ревматизм со стрептококковой инфекцией (наличие скрытого периода между окончанием инфекции и начальными симптомами болезни). Для Ревматизм характерны также тенденция к полисиндромности клинических проявлений, существование типовых вариантов начала и течения заболевания, наличие в клинической картине впервые выделенных А. А. Киселем «абсолютных признаков ревматизма» и, наконец, склонность Ревматизм к обострениям и рецидивам. В значительной части случаев классические острые формы Ревматизм заканчиваются полным выздоровлением. Вместе с тем, главным образом при затяжном течении и рецидивах Ревматизм, могут возникать условия, способствующие последующему переходу болезни в хронический, торпидный, часто обостряющийся процесс.

А. И. Нестеров (1973) выделяет в развитии ревматического процесса три периода. Первый (скрытый) период продолжается обычно 2—4 недели после окончания стрептококковой инфекции до начальных проявлений ревматической атаки. Он характеризуется процессами токсикоинфекционного повреждения соединительнотканных структур и иммунологической перестройкой организма в ответ на стрептококковое антигенное воздействие. Клинически этот период протекает или бессимптомно, или с проявлениями, свойственными периоду затянувшейся реконвалесценции. Второй период — период гиперергических тканевых реакций с отчётливыми и характерными клиническими проявлениями болезни (ревматическая атака). Важно отметить, что и на фоне адекватной антиревматической терапии обратное развитие клинических симптомов атаки не происходит одномоментно. После исчезновения ярких воспалительных проявлений заболевания закономерен переход его в скрытую фазу с постепенной нормализацией иммунологических и биохимических показателей. Третий период проявляется многообразными формами возвратного Ревматизм Он характеризуется определённой тенденцией к дальнейшему нарушению и качественным изменениям защитных и компенсаторных реакций с нарастанием иммунологических расстройств, прогрессированием дистрофических процессов. Клинически значительно чаще обнаруживаются затяжной и непрерывно-рецидивирующий варианты течения болезни, приводящие к прогрессирующей недостаточности кровообращения и другим осложнениям, определяющим неблагоприятный исход Ревматизм

Выделяют также первичный и возвратный Ревматизм Первичный Ревматизм, как правило, возникает в детском и юношеском возрасте, характеризуется преимущественно острым и подострым вариантами течения болезни (у 88% больных, по данным 8. П. Анненковой, 1981). Отмечается четкая возрастная закономерность в развитии первичного Ревматизм: грудные дети, как правило, не болеют, двух-, трёхлетние заболевают крайне редко, а в последующие годы заболеваемость возрастает, достигая максимума у детей 7—14 лет и подростков. В детском возрасте обычно половых различий в заболеваемости первичным Ревматизм не наблюдается, среди подростков чаще Ревматизм заболевают лица женского пола.

К начальным клиническим проявлениям острого первичного Ревматизм относится лихорадка, мигрирующий полиартрит (у 50—60% заболевших, по материалам Института ревматологии АМН СССР) или выраженные артралгии, относительно редко — серозит и признаки поражения других органов и систем. Отмечается взаимосвязь между высокой лихорадкой, полиартритом и серозитом. Кардит, даже выраженный, может протекать лишь с умеренным повышением температуры или при нормальной температуре тела. Характерна полная и быстрая обратимость полиартрита и относительно благоприятное течение висцеральных проявлений Ревматизм под влиянием противовоспалительной терапии. Определяются высокие титры противострептококковых антител и значительное повышение лабораторных показателей активности воспаления.

Первично-хронические варианты течения Ревматизм относительно редки. Остаётся не уточнённым вопрос об удельном весе первично-латентного течения в структуре заболеваемости Ревматизм

Первичному Ревматизм свойственны генерализованные экссудативные воспалительные реакции, однако за последние 20—25 лет (с конца 50-х годов) отмечена эволюция первичного Ревматизм в сторону смягчения ярких экссудативно-гиперергических форм заболевания. Сравнительно редки теперь острые воспалительные поражения одновременно всех оболочек сердца (панкардит), первичные экссудативные плевриты, перикардиты, острые менингоэнцефалиты. Значительно реже выявляются первичные ревматические пневмонии, кольцевидная эритема, ревматические узелки, мягче протекает ревматическая хорея.

Отмечаются возрастные особенности течения первичного Ревматизм Так, у дошкольников преобладает затяжное течение, а в младшем школьном возрасте — подострое. Наибольшую опасность представляет 12—14-летний возраст, при котором чаще, чем в других возрастных группах, обнаруживается острое и подострое, а иногда п непрерывно-рецидивирующее течение. Вместе с тем в этом, как и в более старшем возрасте (15 —18 лет), нередко наблюдается первично-латентное течение с вовлечением в процесс клапанов сердца.

Возвратный Ревматизм как проявление третьего периода развития заболевания характеризуется особой склонностью к обострениям и рецидивам, прогрессирующим нарушениям трофики и регуляторных процессов с преобладанием затяжных, непрерывно-рецидивирующих вариантов течения. По материалам института ревматологии АМН СССР (В. А. Насонова, И. А. Бронзов, 1978), среди 200 больных первичным Ревматизм острое и подострое течение болезни отмечено у 77,5%, непрерывно-рецидивирующее — у 2,5%, а затяжное — у 20%. В то же время среди 200 больных возвратным Ревматизм эти показатели составляют соответственно 28%, 11% и 61%.

Подобно первичному, возвратный Ревматизм может проявляться полиартритом, вовлечением в воспалительный процесс серозных оболочек, лёгких, нервной системы и других органов. Однако наиболее постоянным является кардит, клиническое течение которого чаще всего определяет характер течения возвратного Ревматизм в целом. При этом, по мере возникновения новых обострений, наряду с урежением частоты и ослаблением выраженности поражения суставов отмечается прогрессивное утяжеление сердечной патологии за счёт нарастания поражения клапанов и миокарда сердца. Значительно чаще встречается непрерывно-рецидивирующее течение.

Ревматический кардит (ревмокардит)

Ревматический кардит — ведущее проявление активного Ревматизм, определяющее тяжесть течения и прогноз заболевания. К особенностям ревматического кардита относится тенденция к последовательному или одновременному воспалительному поражению миокарда, эндокарда и перикарда (смотри полный свод знаний: Панкардит). В связи с трудностями разграничения поражения отдельных оболочек сердца в клинической практике широкое распространение получил обобщённый термин «ревмокардит».

Первичный ревмокардит, по данным разных исследователей, распознается у 80—90% детей и у 95— 100% взрослых, заболевших Ревматизм Несмотря на существование некоторых возрастных особенностей, принципиальных различий в клинических проявлениях первичного ревмокардита у детей, подростков и взрослых не отмечается. Симптоматика ревмокардита во многом определяется преимущественным поражением той или иной оболочки сердца — миокарда, эндокарда и перикарда. Существенное влияние на характеристику ревмокардита оказывают выраженность изменений со стороны сердца, степень общей активности ревматического процесса и характер течения заболевания.

Ревматический миокардит является основным, а нередко и единственным признаком болезни. Так, у 40—60% больных Ревматизм в начале заболевания (особенно при остром течении) изменения со стороны сердца укладываются в картину изолированного миокардита (смотри полный свод знаний), морфологически варьирующего от диффузного до очагового. Диффузный миокардит с ярко выраженными клиническими проявлениями встречается в 70—80-е годы реже, чем 20—30 лет тому назад, и наблюдается преимущественно у детей 12— 14 лет и подростков. Преобладающим является умеренно и слабо выраженный миокардит. У больных с ревматическим миокардитом нередко отмечаются нарушение общего состояния, слабость, одышка, кардиалгии, сердцебиения. Выраженность субъективных неприятных ощущений обычно небольшая, поэтому они чаще выявляются при тщательном целенаправленном опросе больных. К ранним объективным симптомам относится изменение частоты сердечных сокращений в покое — тахикардия (смотри полный свод знаний), брадикардия (смотри полный свод знаний) и дыхательная аритмия сердца (смотри полный свод знаний); увеличение размеров сердца (от незначительного до выраженного), ослабление или глухость тонов сердца (смотри полный свод знаний), возникновение трёхчленного сердечного ритма. На фонокардиограмме обычно находят снижение амплитуды I тона, его деформацию, расщепление и уширение, так называемые патологические III и реже IV тоны (высокоамплитудные, записываемые в средне и высокочастотном спектре, с широкой зоной регистрации), слияние которых создаёт клиническую картину суммационного ритма галопа (смотри полный свод знаний: Галопа ритм).



Информация об Ordo Deus Перейти в оглавление сайта

Рис. 6.
Электрокардиограммы при первичном ревматическом миокардите: а — нарушение ритма в виде атриовентрикулярной диссоциации; б — через 3 суток после начала лечения (нормализация ритма).





Информация об Ordo Deus Перейти в оглавление сайта

Рис. 7.
Электрокардиограммы при первичном ревматическом миокардите: а — атриовентрикулярный ритм; б — через 6 суток после начала лечения (восстановление синусового ритма).



Практически у всех больных с ревматическим миокардитом появляется разной степени выраженности систолический шум с эпицентром в V точке (IV межреберье слева от грудины) и в области лёгочного ствола. На ФКГ этот шум записывается в виде среднечастотного и среднеамплитудного мезосистолического шума овально-стихающей формы, занимающего 1/2—1/3 систолы. У части пациентов в зоне проекции митрального клапана может регистрироваться мезодиастолический шум. Характерным для ревматического миокардита является динамичность и изменчивость указанных симптомов, особенно под влиянием противовоспалительного лечения.

На ЭКГ при ревматическом миокардите довольно часто регистрируется дисфункция синусно-предсердного узла (тахикардия, брадикардия, дыхательная аритмия), реже выявляются нарушения ритма: атриовентрикулярная диссоциация с интерференцией (рисунок 6), миграция водителя ритма в предсердия и атриовентрикулярный узел (рисунок 7), возможна экстрасистолия. Наряду с этим на ЭКГ могут отмечаться нарушения проводимости в виде атриовентрикулярной блокады I и значительно реже II степени (рисунок 8). Наряду с абсолютным нередко обнаруживается относительное удлинение интервала PQ. В подобных наблюдениях величина интервала PQ, соответствующая при первом обследовании нормальным значениям (0,20 секунд), в процессе лечения уменьшается на 0,05—0,06 секунд без существенных изменений частоты сердечных сокращений. Наиболее часты при ревматическом миокардите нарушения биоэлектрических процессов в миокарде желудочков. Это находит отражение в изменении зубца Г, патологическом смещении (чаще вниз) сегмента S Т и удлинении электрической систолы. Изменения зубца Т выражаются в умеренном снижении его амплитуды и уширении, реже в уплощении до изоэлектрической линии, у отдельных больных появляются отрицательные зубцы Т. У одного и того же пациента могут наблюдаться различные электрокардиографические изменения, характеризующиеся динамичностью и обратимостью.

При рентгенологическом обследовании с применением рентгенокимографии (смотри полный свод знаний) и электрокимографии (смотри полный свод знаний), по данным В. А. Шаниной (1968) и Е. С. Лепской (1980), у подавляющего большинства больных первичным ревмокардитом выявляются признаки снижения сократительной и тонической функций миокарда (нарушение характера пульсации, изменение амплитуды и формы зубцов рентгенокимографических и электрокимографических кривых), неадекватный ответ — учащение сердечных сокращений при снижении глубины пульсации на физическую нагрузку. Менее постоянно (только при выраженном миокардите) меняются размеры, конфигурация и положение сердца.

Дополнительное значение для оценки состояния сократительной функции миокарда имеет эхокардиография. У большинства больных в острый период заболевания отмечаются признаки гиперкинетического состояния кровообращения (увеличение ударного и минутного объёмов) и слегка повышенные или нормальные показатели сократительной функции миокарда (фракция изгнания, степень и скорость укорочения диаметра левого желудочка). Достоверное снижение этих показателей наблюдается лишь при выраженном миокардите.

В условиях активного лечения ревматического миокардита преобладающее большинство больных (59%) практически выздоравливает (отсутствуют изменения со стороны сердца). У части пациентов выявляются признаки миокардического кардиосклероза (смотри полный свод знаний), частота развития которого с возрастом больных увеличивается.

Ревматический эндокардит. В 70—80-е годы клинические признаки вовлечения в процесс клапанов сердца при первой атаке Ревматизм у детей выявляются у 50—55% больных. Характерной для детского возраста является тенденция к развитию вальвулита — диффузного поражения глубоких слоёв клапанов. У преобладающего большинства больных вальвулит сочетается с поражением миокарда (эндомиокардит). Как в детском возрасте, так и у взрослых признаки поражения клапанов сердца могут появиться с первых дней ревматической атаки.

Согласно наблюдениям педиатров ревматологов Д. Д. Лебедева (1951), 3. И. Эдельман (1962), А. Б. Воловика (1965), Н. М. Куренской (1975), А. В. Долгополовой (1977) ведущее значение в распознавании поражения клапанов сердца имеют клинические признаки. Постоянным признаком поражения митрального клапана служит появление систолического шума различной интенсивности с характерным «дующим» оттенком, который лучше всего выслушивается в зоне проекции митрального клапана (верхушка сердца, V точка) в положении лёжа и на левом боку, нередко проводится влево, в подмышечную область, и усиливается после физической нагрузки. На фонокардиограмме указанный шум записывается в виде высоко и среднечастотного, пансистолического или протосистолического шума, небольшой или средней амплитуды, стихающей или лентовидной формы с эпицентром регистрации у верхушки сердца (рисунок 9). Такая качественная характеристика позволяет связать его с поражением именно митрального клапана (смотри полный свод знаний: Пороки сердца приобретённые).



Информация об Ordo Deus Перейти в оглавление сайта

Рис. 9.
Фонокардиограммы при первичном вальвулите митрального клапана: а снижение амплитуды I тона, усиление III тона, наличие патологического IV тона, продолжительного систолического (I) и мезодиастолического (2) шумов; б — через 3 месяца после начала лечения: нормализация I и III тонов, исчезновение IV тона и мезодиастолического шума, значительное уменьшение систолического шума; А — низкочастотный канал, М — среднечастотный канал, Н — высокочастотный канал; ЭКГ приведена в синхронной записи с ФКГ для хронологического анализа последних.





Информация об Ordo Deus Перейти в оглавление сайта

Рис. 8.
Электрокардиограммы при первичном ревматическом миокардите: а — атриовентрикулярная блокада I степени (PQ = 0,28 секунд); б — через 4 суток после начала лечения (нормализация атриовентрикулярной проводимости).



Указанный систолический шум на фоне стихания процесса характеризуется динамичностью, постепенно меняясь по амплитуде, форме и продолжительности. У большинства больных систолический шум постепенно уменьшается по амплитуде и продолжительности. У некоторых пациентов он сначала усиливается, становится более высокочастотным, затем медленно ослабевает. У части больных систолический шум остаётся продолжительным, высокочастотным. Одновременно с систолическим шумом в области верхушки сердца у некоторых больных с вальвулитом митрального клапана выслушивается мезодиастолический низко и среднечастотный шум небольшой амплитуды, следующий тотчас за III тоном, быстро затухающий. Мезодиастолический шум чаще регистрируется на фонокардиограмме, чем определяется аускультативно.

Характерным признаком вальвулита митрального клапана считаются динамические изменения размеров сердца с расширением его границ преимущественно влево. При рентгенологическом исследовании отмечают появление так называемый митральной конфигурации сердца за счёт выполнения талии сердца ушком увеличенного левого предсердия, расширения размеров левых предсердия и желудочка (рисунок 10). По данным E. G. Лепской (1980), более чем у 1/3 больных отмечаются нарушения гемодинамики в венозной части сосудистого русла лёгких, что рентгенологически характеризуется относительным расширением лёгочных вен. При электрокардиографическом исследовании у 2/3 больных преимущественно с ярко выраженным кардитом отмечается появление признаков острой перегрузки левого предсердия с митрализацией зубцов Р (уширение зубца Р электрокардиограммы 0,10 секунд; двухфазность его в правых грудных отведениях с преобладанием отрицательной фазы). По данным Н. П. Артамоновой (1977), у 1/3 пациентов эти изменения сочетаются с начальными симптомами увеличения левого желудочка.



Информация об Ordo Deus Перейти в оглавление сайта

Рис. 10.
Рентгенограммы грудной клетки при активном эндомиокардите (вальвулит митрального клапана, адгезивный плевроперикардит, недостаточность кровообращения II А стадии): а — прямая проекция (сердце митральной конфигурации, увеличено в размерах); б — правая косая проекция (левое предсердие увеличено, пищевод отклонён по дуге большого радиуса); в — левая косая проекция (увеличение обоих желудочков, пищевод заполнен контрастным веществом); грамм — прямая проекция (после лечения) — нормализация размеров и конфигурации сердца; деформация нижне-левого контура сердца вследствие наличия плевроперикардиальной спайки (указана стрелкой).



Поражение клапанов аорты характеризуется появлением «льющегося» диастолического шума, определяемого вдоль левого края грудины и регистрируемого на фонокардиограмме сразу после II тона в виде протодиастолического высокочастотного шума. Указанный шум лучше выслушивается, чем записывается на ФКГ. На ЭКГ при вальвулите клапанов аорты нередко регистрируются признаки диастолической перегрузки левого желудочка. Рентгенологически характерна тенденция к горизонтальному положению и преходящей аортальной конфигурации сердца, преимущественное увеличение размеров левого желудочка, относительное усиление пульсации левого желудочка и аорты. При первичном ревмокардите возможно одновременное поражение митрального клапана и клапанов аорты.

Определённую диагностическую ценность при распознавании ревматического вальвулита представляет метод эхокардиографии (смотри полный свод знаний).

У большинства больных с поражением митрального клапана на эхокардиограмме выявляется утолщение, «лохматость» эхо-сигнала от створок клапана (или сухожильных хорд), увеличение амплитуды открытия передней створки его; реже наблюдается деформация систолического фрагмента митрального клапана в виде его прогиба и более горизонтального направления, чем в норме; иногда определяется уменьшение подвижности задней створки клапана (рисунок 11). Нередко эти изменения сочетаются с отчётливой дилатацией левого предсердия и левого желудочка, иногда с гиперкинезией его стенок. При поражении клапанов аорты более чем у половины больных обнаруживается мелкоамплитудное дрожание передней (возможно, и задней) створок митрального клапана, что в совокупности с дилатацией левого желудочка, гиперкинезией его стенок свидетельствует об аортальной регургитации. Митральный и аортальный вальвулит чаще встречаются при остром и затяжном течении ревматизма.



Информация об Ordo Deus Перейти в оглавление сайта

Рис. 11.
Эхокардиограммы в норме (а) и при ревматическом вальвулите митрального клапана (б): утолщение и неоднородность структуры («лохматость») эхо-сигнала от створок клапана, преимущественно задней (указано стрелкой); ЭКГ приведены в синхронной записи с эхокардиограммами для хронологического анализа последних.



Как показывают длительные наблюдения, исходом первичного ревматического вальвулита в условиях современного его течения и активного патогенетического лечения примерно у половины больных является практическое выздоровление, у другой половины пациентов отмечается формирование клапанного порока сердца. Процент исхода первичного ревмокардита в порок сердца у подростков значительно выше, чем у детей и взрослых. Наиболее частым пороком сердца после перенесённого вальвулита у детей является недостаточность митрального клапана, реже недостаточность аортального клапана и, как исключение,— изолированный митральный стеноз или сочетанный митральный порок. В современных условиях сформированные после первичного ревмокардита пороки сердца характеризуются рядом особенностей. В отличие от прошлых лет в 70—80-е годы изменился темп формирования порока сердца. Признаки последнего у большинства больных проявляются в остром периоде болезни, сохраняются в после-приступном, однако оформляются в отчётливую картину порока сердца только в течение последующих 2—3 лет. Сформированные после первичного ревмокардита пороки сердца характеризуются нерезкой выраженностью и стойкой компенсацией па протяжении ряда лет. По данным Н. И. Александровой (1979), у лиц в возрасте 16—18 лет в отличие от детей уже в исходе атаки нередко формируется сочетанный митральный порок.

Ревматический перикардит развивается гораздо чаще, чем диагностируется. Так, клинически перикардит в современных условиях при первой атаке заболевания распознается только у 1,0—1,5% детей, несколько чаще в юношеском возрасте и у взрослых, в то время как, по данным В. А. Шаниной (1962) и Е. С. Лепской (1980), тщательное рентгенологическое исследование при первичном ревмокардите позволяет выявить поражение перикарда у 40% детей и у 51,1% взрослых больных, преимущественно в виде возникающих по ходу развития заболевания плевроперикардиальных изменений. С клинико-анатомической точки зрения различают фибринозный и экссудативный (серозно-фибринозный) перикардит (смотри полный свод знаний). В отличие от прошлых лет в 70—80-х годы ревматический перикардит у детей, подростков и взрослых чаще проявляется в виде ограниченного и нестойкого адгезивного процесса.

Фибринозный перикардит у большинства больных протекает с нерезко выраженной клинической симптоматикой. Наиболее достоверным признаком служит появление шума трения перикарда, который характеризуется различной выраженностью, локализацией и длительностью выслушивания. Рентгенологически слипчивый перикардит в ранних стадиях выражается потерей чёткости, нерезкостью очертаний контуров сердечной тени на ограниченном участке, позднее — появлением неровности, изломанности, углообразной или парусообразной деформации контуров сердца за счёт формирования плевроперикардиальных спаек. На рентгенокимограмме соответственно области поражения регистрируется многоконтурная кривая с нерезко очерченными деформированными зубцами. Наиболее постоянной является локализация адгезивного процесса в перикарде области верхушки сердца и в области, примыкающей к левой части купола диафрагмы.

Экссудативный перикардит нередко сочетается с поражением миокарда и клапанного аппарата сердца (панкардит) и проявляется ухудшением общего состояния, появлением одышки и загрудинных болей, тахикардии и другими симптомами недостаточности кровообращения, заметно нарастающими в горизонтальном положении больного. Перкуторно и рентгенологически отмечается расширение размеров сердца, увеличивается зона абсолютной тупости сердца, тень сердца приобретает треугольную форму. На рентгенокимограмме выявляется чёткое снижение амплитуды сердечных сокращений. Тоны сердца и шумы ослабевают, пульс становится частым, малым, артериальное давление снижается, венозное — повышается, обнаруживается набухание шейных вен.

На ЭКГ отмечается характерная динамика изменений. В начальной стадии определяется смещение сегмента S Т вверх от изолинии и повышение зубцов Т. В дальнейшем происходит постепенное возвращение сегмента ST к изолинии, снижение зубца Т и переход его в отрицательный. В фазе выздоровления зубец Т возвращается к нормальной величине и форме. Большое диагностическое значение в выявлении перикардиального выпота имеет эхокардиография. Характерно появление так называемого эхо-свободного пространства вокруг сердца («расслоение» эпикарда и перикарда в области задней стенки левого желудочка; «отслоение» передней стенки правого желудочка от грудной стенки), снижение амплитуды движения перикарда.

Общепризнанным дифференциально-диагностическим отличием ревматического перикардита является быстрое исчезновение его основных симптомов под влиянием активного противоревматического лечения, которое позволяет у преобладающего большинства больных предупредить образование спаек и облитерацию перикардиальной полости.

Диагноз первичного ревмокардита, критерии оценки степени его выраженности, дифференциальный диагноз. Диагноз первичного ревмокардита базируется, с одной стороны, на установлении достоверного активного Ревматизм, с другой — на выявлении характерного кардиоваскулярного синдрома. Основное диагностическое значение имеет сочетание следующих признаков: преимущественное возникновение заболевания в детском и подростковом возрасте; тесная связь заболевания с предшествующей носоглоточной инфекцией; наличие интервала (2—4 недель) между окончанием носоглоточной стрептококковой инфекции и началом заболевания, реже — затянувшееся выздоровление после носоглоточной инфекции; частое повышение температуры тела в начале заболевания, боли в суставах и развитие полиартрита; появление кардиальных жалоб, утомляемости, слабости, аускультативные и фонокардиографические признаки вальвулита митрального клапана и (или) клапанов аорты; электрокардиографические данные (появление синусовой тахи или брадиаритмии, нарушения ритма — атриовентрикулярная диссоциация с интерференцией, миграция водителя ритма, замедление атриовентрикулярной проводимости, изменения зубца Р, изменения зубца Т, смещение сегмента ST, удлинение электрической систолы QT) рентгенологические изменения (появление признаков нарушения сократительной и тонической функции миокарда, расширение границ сердечной тени за счёт левого желудочка или левых предсердия и желудочка сердца, признаков вовлечения в процесс перикарда); появление симптомов недостаточности кровообращения; динамичность и изменчивость клинических и функциональных показателей под влиянием активной антиревматической терапии.

Чрезвычайно важным для клинической ревматологии является установление степени выраженности сердечных изменений при первичном ревмокардите, так как это позволяет оценить тяжесть поражения сердца, назначить адекватное патогенетическое лечение и провести в дальнейшем все необходимые терапевтические и профилактические мероприятия. А. И. Нестеров (1969, 1973) предложил руководствоваться тремя наиболее важными в практическом отношении градациями ревмокардита (яркий, умеренно и слабо выраженный). Для дифференцированной оценки выраженности ревмокардита используется широкий комплекс современных клинических, инструментально-графических методов исследования, а также математические и кибернетические приёмы. В 70—80-е годы у преобладающего большинства пациентов (75—80%) выявляется умеренно и слабо выраженный ревмокардит. Ярко выраженный ревмокардит чаще встречается в детском возрасте.

Группу с ярко выраженным ревмокардитом составляют больные, у которых отмечается тенденция к одновременному поражению нескольких оболочек сердца. Характерной чертой данного варианта ревмокардита является нарушение общего состояния больных. Объективные признаки поражения сердца проявляются отчётливо, что находит отражение в демонстративной клинической, инструментально-графической и лабораторной симптоматике. Разработанный с помощью математических приёмов наиболее информативный симптомокомплекс ярко выраженного ревмокардита включает: значительное расширение перкуторных границ сердца (в обе стороны), подтверждаемое рентгенологически увеличением нескольких камер сердца (левого желудочка, левого предсердия и правого желудочка) или расширение перкуторных границ сердца влево (на 2 сантиметров и более), что рентгенологически соответствует увеличению левого желудочка (II—III степени по классификации И. X. Рабкина и Г. М. Савельевой); значительное приглушение тонов сердца, регистрируемое на фонокардиограмме в виде выраженного ослабления (снижение амплитуды) и деформации I тона (при нормальной атриовентрикулярной проводимости); шум трения перикарда; выслушиваемые одновременно или изолированно дующий систолический шум на верхушке (высокочастотный, пансистолический на фонокардиограмме) и «льющийся» диастолический шум в V точке (высокочастотный, протодиастолический на ФКГ); мезодиастолический шум; значительные изменения зубца Т (снижение, уширение, деформация) на ЭКГ; тахикардия; патологические III и IV тоны; замедление атриовентрикулярной проводимости, недостаточность кровообращения II стадии. Наличие указанного комплекса признаков или нескольких из них в любом сочетании с другими симптомами поражения сердца позволяет расценить первичный ревмокардит как ярко выраженный по клинико-инструментальным проявлениям. Эхокардиографически данный вариант ревмокардита характеризуется отчетливой дилатацией левого желудочка, левого предсердия, реже увеличением размеров правого желудочка. Наличие вальвулита митрального клапана или клапанов аорты обусловливает соответствующие качественные и количественные изменения эхограммы от митрального клапана или клапанов аорты (смотри полный свод знаний: выше Ревматический эндокардит). Одновременно выявляются нарушения сократительной функции миокарда левого желудочка. Ярко выраженный ревмокардит нередко сочетается с экстракардиальными проявлениями Ревматизм (преимущественно полиартритом) и значительными изменениями лабораторных показателей активности воспалительного процесса. Данный вариант ревмокардита развивается преимущественно у больных с острым течением и характеризуется чёткой динамичностью всех проявлений.

Умеренно выраженный ревмокардит отмечается при поражении преимущественно одной, реже двух оболочек сердца (миокардит или эндомиокардит без отчётливых признаков поражения клапанов). Объективные признаки ревмокардита в данном случае характеризуются меньшей демонстративностью.

Наиболее информативными показателями умеренно выраженного ревмокардита являются: расширение перкуторных границ сердца влево (на 1 —1,5 сантиметров), подтверждаемое рентгенологически увеличением левого желудочка (II степени); отчётливый систолический шум на верхушке и в V точке, записываемый на фонокардиограмме в виде среднечастотного, среднеамплитудного, овально-стихающего шума, возможен систолический шум дующего характера на верхушке, регистрируемый на фонокардиограмме в виде малоамплитудного, высокочастотного, протосистолического или пансистолического шума; умеренное приглушение тонов сердца, регистрируемое на ФКГ в виде нерезкого снижения амплитуды I тона; патологический III тон; признаки адгезивного плевроперикардита, выявляемые рентгенологически; нарушения ритма, нарушения атриовентрикулярной проводимости (реже и менее выраженные, чем при ярко выраженном ревмокардите) и удлинение электрической систолы, определяемые на ЭКГ. Эхокардиографически при данном варианте ревмокардита выявляется умеренная дилатация левых камер сердца (левого желудочка, левого предсердия). У ряда больных могут определяться некоторые качественные и количественные изменения эхограммы от митрального клапана, у других отмечается изменение сократительной функции миокарда левого желудочка. При стихании ревматического процесса, как правило, выявляется довольно быстрая положительная динамика эхокардиографических изменений. Умеренно выраженный ревмокардит часто сочетается с экстракардиальными проявлениями Ревматизм, наблюдается при максимальной и умеренной, реже минимальной степени активности, преимущественно при подостром течении Ревматизм

Симптоматика слабо выраженного ревмокардита более «скромная». К наиболее информативным признакам данного варианта относятся: нарушение частоты сердечных сокращений (тахикардия и брадикардия); незначительное расширение границ сердца влево (0,5—1,0 см), не всегда подтверждаемое рентгенологически; незначительное приглушение тонов сердца, регистрируемое на фонокардиограмме в виде нерезкого ослабления I тона (снижение его амплитуды); слабый и реже отчётливый систолический шум, регистрируемый на фонокардиограмме преимущественно в виде среднечастотного, мезосистолического шума средней амплитуды и продолжительности; нарушение атриовентрикулярной проводимости и удлинение электрической систолы, определяемые на ЭКГ; нередко сочетание ревмокардита с полиартритом или хореей. На эхокардиограмме при данном варианте ревмокардита изменения, как правило, не выявляются, однако у части больных определяется некоторое увеличение ударного и минутного объемов кровообращения. Слабо выраженный ревмокардит может наблюдаться при всех вариантах течения Ревматизм и различной степени его активности.

Дифференциальный диагноз при первичном ревмокардите наиболее часто проводят с неревматическими миокардитами и так называемый функциональными кардиомиопатиями (смотри полный свод знаний). В отличие от первичного ревмокардита неревматические миокардиты (смотри полный свод знаний) имеют свою клиническую симптоматику и характеризуются рядом особенностей: наличие предшествующих аллергических заболеваний, довольно частая и тесная связь с перенесённой, преимущественно вирусной носоглоточной инфекцией, с последующим коротким «светлым» промежутком, обилие и упорство кардиальных жалоб, значительные изменения на ЭКГ, минимальные сдвиги лабораторных показателей активности воспаления, быстрое развитие астенизации, медленная положительная динамика клинических и электрокардиографических изменений под влиянием терапии.

Функциональные кардиопатии характеризуются следующими проявлениями: наличие хронических очагов инфекции (чаще у детей), предшествующая вегетативно-эндокринная дисфункция (чаще у взрослых), нередкая связь заболевания с разнообразными стрессорными воздействиями, наличие астеноневротических эмоционально окрашенных «кардиальных жалоб», отсутствие объективных признаков кардиальной патологии, наличие периодически возникающих вегетативно-сосудистых кризов (чаще у подростков и взрослых), отсутствие лабораторных признаков воспалительной активности, отчётливый эффект седативных препаратов.

Н. Н. Кузьмина и Т. Г. Глазкова (1975) разработали с помощью ЭВМ так называемый решающее правило для дифференциальной диагностики первичного ревмокардита и сходных заболеваний (неревматические миокардиты, функциональные кардиомиопатии) в детском возрасте. Правило имеет вид таблицы, состоящей из перечня признаков, против каждого из которых стоит информационный коэффициент. Для практического его применения на основании результатов комплексного обследования больного производят алгебраическое сложение коэффициентов признаков, имеющихся у данного пациента, и сравнивают полученную сумму с представленным в конце таблицы пороговым значением. Если полученная сумма больше порогового значения, то у ребёнка диагностируется первичный ревмокардит. Достоверность диагностики первичного ревмокардита с помощью данной таблицы составляет 94,3%.

Возвратный ревмокардит наиболее часто наблюдается у взрослых и подростков, однако встречается и в детском возрасте. Данный вариант ревмокардита обычно развивается на фоне миокардитического кардиосклероза, а часто и сформировавшегося порока сердца. Клиническая картина возвратного ревмокардита характеризуется симптомокомплексом рецидивирующего миокардита и признаков рецидивирующего клапанного поражения. Поскольку рецидивы ревмокардита возникают на фоне уже нарушенной трофики и понижения функциональных резервов миокарда, то в их симптоматике нередко на первый план выступают признаки недостаточности кровообращения (смотри полный свод знаний), которые тем более выражены и склонны к нарастанию, чем больше было рецидивов ревмокардита в прошлом и чем тяжелее порок сердца, а также чем менее настойчиво лечился больной. При рецидивах ревмокардита у подростков и юношей нередко выявляется поражение двух клапанов (митрального и аорты), у пациентов старше 30 лет чаще наблюдается поражение одного клапана.

Характерно появление новых шумов или нарастание их интенсивности, изменение звучности тонов сердца. При последующих рецидивах ревмокардита деформация клапанов прогрессирует и клиническая картина порока сердца становится более выраженной, нередко происходит его усложнение (трансформация недостаточности митрального клапана в сочетанный митральный порок или появление новых пороков сердца). Нарастающая недостаточность кровообращения становится одним из ведущих проявлений рецидивирующего ревматического процесса в сердце. Характерными проявлениями возвратного ревмокардита, протекающего на фоне миокардитического кардиосклероза (смотри полный свод знаний) и миокардиодистрофии (смотри полный свод знаний), являются нарушения сердечного ритма в виде экстр асистолии (смотри полный свод знаний), пароксизмальной тахикардии (смотри полный свод знаний) или мерцательной аритмии (смотри полный свод знаний). Возвратный ревмокардит характеризуется тенденцией к хроническому течению, слабо выраженным экссудативным компонентом воспаления, неяркими системными проявлениями ревматизма. У ряда пациентов имеют место распространённые гиперергические реакции, отмечается вовлечение в процесс многих органов и систем, формируется наиболее неблагоприятное, присущее преимущественно возвратному Ревматизм непрерывно-рецидивирующее течение заболевания. Возвратный ревмокардит при остром, подостром и непрерывно-рецидивирующем течении Ревматизм сохраняет свойственные этим вариантам черты, однако характеризуется более значительной тяжестью поражения сердца в связи с наличием миокардитического кардиосклероза или уже сформированного порока. Возвратный ревмокардит при затяжном варианте течения Ревматизм чаще сопровождается далеко зашедшим поражением клапанного аппарата сердца и миокарда, характеризуется постепенным началом рецидива, слабым и непостоянным эффектом антиревматической терапии, склонностью к устойчивой декомпенсации сердечной деятельности. В случае латентного варианта течения Ревматизм он характеризуется прогрессированием сердечных изменений при отсутствии клинических симптомов активного ревматизма.

Наиболее частым источником диагностических ошибок при распознавании возвратного ревмокардита являются бактериальный эндокардит, (смотри полный свод знаний), тяжёлые варианты течения миокардита типа Абрамова — Фидлера (смотри полный свод знаний: Миокардит), поражение сердца при диффузных заболеваниях соединительной ткани (смотри полный свод знаний: Коллагеновые болезни, Красная волчанка), некоторые варианты врождённой патологии сердца.

Ревматический полиартрит

Одним из основных проявлений Ревматизм и одним из главных диагностических критериев этого заболевания является ревматический полиартрит. В основе полиартрита (смотри полный свод знаний) при Ревматизм лежит острый иди подострый синовит (смотри полный свод знаний), который характеризуется множественным поражением крупных и средних суставов (тазобедренные, коленные, голеностопные, локтевые) и гораздо реже — мелких суставов, кистей и стоп. Основные симптомы полиартрита: резкие боли, опухание и деформация, ограничение подвижности суставов из-за болей, повышение температуры кожи над суставами, а у ряда больных — покраснение кожи над поражёнными суставами. Характерны нестойкость воспалительных изменений, быстрый их переход с одного сустава на другой («летучий ревматизм»), симметричность поражения, быстрая полная ликвидация всех болезненных явлений в течение нескольких дней. У части больных могут длительно сохраняться небольшие артралгии (смотри полный свод знаний), усиливающиеся при перемене погоды, охлаждении, под влиянием острых респираторных заболеваний. Ревматический полиартрит сопровождается значительными изменениями лабораторных показателей активности воспаления и соответствует обычно максимальной степени активности Ревматизм Имеются указания на возможность возникновения стойких деформаций преимущественно мелких суставов кистей — так называемый хронический постревматический артрит, впервые описанный Жакку (S. Jaccoud) в 1869 год К его особенностям относят ульнарную девиацию кистей в сочетании со сгибательными контрактурами пястно-фаланговых суставов, слабую выраженность или полное отсутствие болевого синдрома, отсутствие эрозивных изменений в костях и ревматоидного фактора (смотри полный свод знаний) в сыворотке крови.

Дифференциальная диагностика ревматического полиартрита проводится с инфекционными артритами (смотри полный свод знаний: Артриты, Инфекционный аллергический полиартрит), ревматоидным артритом (смотри полный свод знаний), системной красной волчанкой (смотри полный свод знаний), склеродермией (смотри полный свод знаний), сывороточной болезнью (смотри полный свод знаний), геморрагическим васкулитом (смотри полный свод знаний: Шенлейна — Геноха болезнь) и, как правило, несложна вследствие одновременного наличия при перечисленных заболеваниях других характерных клинических и лабораторных проявлений, склонности к более тяжёлому и затяжному течению суставного синдрома. Большие трудности возникают при проведении дифференциального диагноза ревматического полиартрита с постинфекционными реактивными артритами, в частности иерсиниозным артритом (смотри полный свод знаний: Иерсиниоз), с палиндромным ревматизмом (смотри полный свод знаний), синдромом Лефгрена (смотри полный свод знаний: Лефгрена синдром), с полиартритом при лейкозе (смотри полный свод знаний: Лейкозы).

Поражение нервной системы

По данным В. В. Михеева (1960), поражение нервной системы при Ревматизм занимает по частоте третье место после поражения сердца и суставов. Основоположник учения о нервной форме ревматизма Эрве де Шегуэн (N.-J. Hervez de Chegoin) в 1845 год описал несколько случаев ревматического поражения мозга с психическими расстройствами, предложив термин «мозговой ревматизм». В исследованиях, проведённых главным образом советскими учёными В. К. Белецким и А. П. Авцыным (1939), В. В. Михеевым (1949, 1971), Н. Б. Маньковским (1959), М. Б. Цукер (1978) и другие, были разносторонне изучены клиника и патоморфология поражений центральной и периферической нервной системы при ревматизме. В 60—70-е годы для обозначения нервных форм Ревматизм стал применяться термин «нейроревматизм», предложенный В. В. Михеевым (1960). Основное значение в развитии нейроревматизма имеют воспалительные изменения сосудов нервной системы (васкулиты). Не исключается и возможность прямого токсико-аллергического и иммунопатологического воздействия на нервные структуры.

Общепринятой классификации нейроревматизма не разработано. В классификации Н. Б. Маньковского (1959) выделены четыре основные формы нейроревматизма: малая хорея, острый менингоэнцефалит, хронический менингоэнцефалит, ревматическая энцефалопатия. С середины 70-х годы наблюдается отчётливая тенденция к уменьшению как частоты поражения нервной системы при ревматизме, так и выраженности клинических проявлений нейроревматизма.

Малая хорея. В 1686 год Сиденгам предложил термин «малая хорея». В 1891 год А. А. Кисель ввёл малую хорею в сформулированные им абсолютные признаки ревматизма. В. В. Михеев (1960), М. Б. Цукер (1963) относят малую хорею к ревматическому энцефалиту с преимущественным поражением стриопаллидарной системы. Малая хорея развивается у 11 —13% детей, заболевших Ревматизм в возрасте 6— 15 лет, чаще (в 60—70% случаев) в период первой атаки заболевания. Девочки болеют чаще мальчиков. С наступлением половой зрелости малая хорея возникает реже.

Клинические проявления хореи (смотри полный свод знаний) развиваются постепенно. Сначала появляются признаки астенизации, неустойчивое настроение, раздражительность, рассеянность, плаксивость, плохой сон, ухудшается успеваемость ребёнка. Через 8— 10 дней присоединяются основные симптомы малой хореи, в первую очередь гиперкинезы (непроизвольные, несоразмерные, некоординированные порывистые движения) в сочетании со снижением мышечного тонуса. Гиперкинезы отмечаются в мышцах лица, шеи, конечностей, туловища. Наблюдается гримасничанье, беспорядочно «пляшут» руки, ноги, мышцы туловища. Ребёнку трудно поднести ложку ко рту, трудно самостоятельно есть и пить. Речь его становится неясной, сопровождается «проглатыванием» отдельных слогов и целых слов. Гиперкинезы усиливаются при волнении, исчезают во время сна. Чаще они бывают двусторонними, но иногда наблюдаются только в одной половине тела (гемихорея). В особенно тяжёлых случаях наблюдается «двигательная буря», при этом резкие насильственные движения не дают ребёнку уснуть, он быстро худеет. В 70—80-е годы тяжёлое течение малой хореи наблюдается редко, чаще отмечаются атипичные, стёртые формы, которые не всегда вовремя диагностируются. Стёртые формы малой хореи наблюдаются преимущественно в дошкольном и младшем школьном возрасте и нередко принимают затяжное, волнообразное течение.

Часто сопутствуют малой хорее симптомы вегетососудистой дистонии — вазомоторные расстройства, стойкий красный дермографизм (смотри полный свод знаний), повышенная потливость, тахикардия, лабильность пульса, иногда субфебрильная температура, а также нарушения со стороны психической сферы — подавленность настроения, плаксивость, обидчивость, недисциплинированность, рассеянное внимание, страхи; реже, наоборот, повышенная возбудимость, эйфория, галлюцинации (смотри полный свод знаний), чаще устрашающего содержания. В целом малой хорее свойственно сочетание следующих симптомов (так называемый пентада малой хореи): хореический гиперкинез в более или менее резкой форме; мышечная дистония с преобладанием гипотонии, которая в некоторых случаях выражена весьма резко (при ослаблении гиперкинеза), вплоть до дряблости мышц, что тяжёлых основание говорить о «мягкой хорее» (chorea mollis), порой даже имитирующей параличи («паралитическая хорея»); статокоординационные нарушения, особенно отмечаемые при целенаправленных движениях и при ходьбе («разболтанность» походки); нарушения со стороны вегетативной нервной системы (явления сосудистой дистонии); психопатологические явления.

Для уточнения диагноза, особенно при атипичной, стёртой хорее, прибегают к некоторым, простым по своему выполнению клиническим пробам; из них наиболее достоверными являются следующие: проба Херсонского — ребёнок, зажмурив глаза, не может долго удерживать высунутый язык (норма 15 секунд); проба Филатова — при пожатии руки больного врач ощущает неравномерность движений; проба Цукер — больной сидит или стоит напротив врача, тесно прикасаясь к нему коленями, врач держит в своих руках руки больного и разговаривает с ним, улавливая даже незначительные гиперкинезы; проба Йогихеса — больной пытается копировать движения руки врача вытянутой рукой, при этом в ней выявляются насильственные движения. Патогномоничным для малой хореи является изменение коленных рефлексов либо в виде застывания ноги в позе разгибания — симптом Гордона-2 (смотри полный свод знаний: Гордона рефлексы), либо в виде маятникообразных движений голени.

Как правило, малая хорея не сопровождается выраженными изменениями лабораторных показателей активности воспаления. Только при очень тяжёлых вариантах течения или присоединении ревмокардита (выраженный ревмокардит наблюдается редко) имеются отклонения их от нормальных величин. На электроэнцефалограмме (смотри полный свод знаний: Электроэнцефалография) отмечается непостоянство альфа-ритма, наличие медленных волн различной продолжительности и быстрые колебания типа бета-волн. Степень выраженности этих изменений коррелирует с остротой, тяжестью и длительностью заболевания, однако они не являются специфическими для хореи.

Средний срок течения малой хореи 2—3 месяца. Затяжные и стёртые формы, которые в настоящее время выявляются значительно чаще, чем острые, продолжаются иногда до одного года и склонны к рецидивам. Но даже после одного приступа неврологические нарушения у некоторых детей могут выявляться ещё в течение 2—3 лет в виде астенического синдрома с быстрой истощаемостью корковых процессов, изменением поведения ребёнка со склонностью к истерическим реакциям, лёгким нарушениям черепно-мозговой иннервации, асимметрией сухожильных рефлексов. У единичных больных после малой хореи остаются стойкие органические поражения головного мозга.

Острый менингоэнцефалит при Ревматизм встречается редко, его клинические проявления не отличаются от острых менингоэнцефалитов другой этиологии (смотри полный свод знаний: Головной мозг, Менингит, Энцефалиты).

Хронический менингоэнцефалит. Среди проявлений хронического ревматического менингоэнцефалита наиболее часто встречаются гипоталамические нарушения. Клиническая картина гипоталамических нарушений развивается обычно постепенно на фоне длительного, рецидивирующего течения ревматического процесса. Начальными их проявлениями могут служить признаки функциональных расстройств центральная нервная система (вегетососудистая дистония, невротические, истероидные реакции, головные боли и другие). Лишь впоследствии на первый план выступают признаки поражения гипоталамической области (смотри полный свод знаний: я Гипоталамус). Чаще всего при этом наблюдаются пароксизмальные вегетативно-сосудистые расстройства симпатоадреналового, вагоинсулярного или смешанного типа. Клиника гипоталамических нарушений при Ревматизм, помимо указанных пароксизмов, характеризуется дисфункцией желёз внутренней секреции (синдром Иценко — Кушинга, адипозогенитальная дистрофия, нарушения менструального цикла, несахарный диабет и другие), реже нервно-трофическими нарушениями, а также нарушениями терморегуляции, сна, бодрствования и другие Течение гипоталамических расстройств при Ревматизм отличается упорством и длительностью, корреляцией обострений с обострениями ревматического процесса. У лиц, страдающих Ревматизм, чаще, чем в популяции, встречаются эпилептиформные припадки. Они наблюдаются обычно на фоне неактивной фазы ревматизма, антиревматическая терапия не оказывает существенного влияния на частоту их возникновения.

Ревматическая энцефалопатия

Симптомы ревматической энцефалопатии наблюдаются, по данным В. А. Насоновой и И. А. Бронзова (1978), более чем у половины больных с затяжным и непрерывно-рецидивирующим течением Ревматизм Характерны разнообразные, нерезко выраженные центральные расстройства соматической и вегетативной иннервации. Клинически это проявляется головными болями, снижением памяти, внимания, симптомами вегетативной, эмоциональной лабильности с нарушением терморегуляции, сердцебиениями, вазомоторными расстройствами, преходящими нарушениями со стороны черепно-мозговых (черепных) нервов. Симптомы энцефалопатии имеют тенденцию к нарастанию в период обострения Ревматизм и в значительной мере подвергаются обратному развитию при стихании активности заболевания.

Другие поражения нервной системы. Описывавшиеся ранее ревматические менингиты, арахноидиты, паркинсоноподобные состояния, ревматические поражения спинного мозга в настоящее время (70—80-е годы) крайне редки. Значительно снизилась также частота обнаружения невритов, полирадикулоневритов и других поражений периферической нервной системы, достоверно связанных с ревматизмом.

Редко встречаются и описывавшиеся ранее у больных острым Ревматизм геморрагические и ишемические инсульты, обусловленные васкулитом крупных сосудов головного мозга. Вместе с тем в связи с удлинением продолжительности жизни больных с ревматическими пороками сердца несколько чаще стали отмечаться тромбоэмболии мозговых сосудов (смотри полный свод знаний: Тромбоз, Тромбоэмболия), основное значение в развитии которых играет недостаточность кровообращения.

Психические расстройства

Психические нарушения, обусловленные Ревматизм, встречаются в настоящее время крайне редко и обычно ограничиваются обратимыми неврозоподобными нарушениями. Ведущим при этом является астенический синдром (смотри полный свод знаний) с явлениями раздражительной слабости, истощаемости. Больные отмечают повышенную утомляемость, снижение трудоспособности, непереносимость яркого света, шума, им свойственны эмоциональная лабильность, неустойчивость настроения.

При утяжелении состояния нарушается сон, возможны упорные головные боли. Астенический синдром может включать в себя фобии (смотри полный свод знаний: Навязчивые состояния), в основе которых лежит витальный страх в связи с изменением телесных ощущений. Содержание фобий ограничено преимущественно страхами за жизнь, за сердце, они могут сопровождаться тахикардией, затруднением дыхания, потливостью, дрожью в теле, чувством сдавления в груди. Астения при Ревматизм в ряде случаев сопровождается также ипохондрическими расстройствами (смотри полный свод знаний: Ипохондрический синдром). Однако ипохондрическая симптоматика не столь характерна для больных Ревматизм У больных с выраженными пороками сердца на фоне тяжёлого соматического состояния могут развиться астенодепрессивные эпизоды с вегетативной лабильностью, а также кратковременные психозы с нарушением сознания и галлюцинаторно-бредовыми расстройствами. В их происхождении, однако, основное значение имеют нарушения кровообращения, гипоксия, метаболические нарушения, а не собственно ревматический процесс. Депрессия усиливается к вечеру. Описывавшиеся ранее так называемый острые ревматические психозы с проявлениями в виде делирия, делириозно-аментивного, делириозно-онейроидного, галлюцинаторно-параноидного синдромов с эпизодами неясного сознания, ступора, апатического, галлюцинаторного и аментивного состояний, которые могут сменять друг друга, в настоящее время практически не встречаются.

Поражения лёгких

Собственно ревматические воспалительные изменения в лёгких обусловлены капилляритами и распространенными или ограниченными васкулитами преимущественно мелких разветвлений лёгочных артерий. Они составляют основу ревматических пневмоний, тромбоэмболических процессов, играют определённую роль в патогенезе инфарктных, гипостатических пневмоний (смотри полный свод знаний).

Ревматический лёгочный васкулит (панваскулит мелких разветвлений лёгочных артерий) обнаруживается в 70—80-е годы относительно редко. Развиваясь на фоне или одновременно с другими проявлениями острого, подострого или непрерывно-рецидивирующего Ревматизм, ревматический лёгочный васкулит клинически проявляется одышкой, кашлем, кровохарканьем, которые не могут быть объяснены лёгочной гипертензией вследствие митрального порока сердца или выраженного кардита. Существенную диагностическую помощь оказывают повторные рентгенологические исследования, обнаруживающие свойственную васкулиту динамичность, порой мимолётный характер патологических симптомов.

Наиболее часто ревматический лёгочный васкулит возникает при затяжном ревмокардите, на фоне митрального порока сердца, особенно при наличии застойных явлений в малом круге кровообращения, что затрудняет его распознавание. Хроническое воспалительное поражение сосудов лёгких следует предполагать при наличии одышки, неадекватной выраженности клапанного поражения, повторного кровохарканья, усиливающегося в периоды обострений ревматического процесса, повторных инфарктов лёгких, осложняющихся инфарктными пневмониями, длительно рецидивирующими инфарктогенными плевритами. Важное значение имеет тщательное сопоставление рентгенологических данных с клиническими симптомами наличия и выраженности нарушения кровообращения в лёгких. По данным Е. С. Лепской (1967), рентгенологически васкулит (в отличие от признаков застоя при декомпенсированном пороке сердца) характеризуется более глубокой и устойчивой перестройкой лёгочного рисунка за счёт интерстициального (периваскулярного) компонента. В некоторых случаях могут быть обнаружены симметричные множественные мелкоочаговые тени, напоминающие картину милиарного туберкулёза. Описываются и более крупные диссеминированные очаги, которые так же, как и возникающие вслед за ними склеротические процессы, на рентгенограммах имеют вид снежных хлопьев (симптом «снежной бури»).

Одним из проявлений интерстициальных изменений, сопровождающих ревматический лёгочный васкулит, является описанный А. И. Нестеровым (1973) и другими исследователями синдром капиллярно-альвеолярной блокады. Клинически он характеризуется напоминающими сердечную астму приступами одышки, удушья, уступающими не столько сердечной, сколько антиревматической терапии.

Ревматическая пневмония в классической форме при первичном Ревматизм встречается редко. Чаще она обнаруживается у больных с непрерывно-рецидивирующим течением возвратного Ревматизм при наличии плеврита и ярко выраженного кардита (панкардита). Клинически характерно возникновение пневмонии (смотри полный свод знаний) на фоне обострения ревматического процесса, склонность к миграции (иногда множественность) очаговых изменений, чёткий эффект от антиревматической терапии при отсутствии эффекта от массивных доз антибиотиков.

Начало пневмонии сопровождается повышением температуры тела, усилением одышки, появлением болей в груди, сухого кашля, значительным повышением показателей активности воспаления, титров противострептококковых антител. Локализация процесса может быть как односторонней, так и двусторонней. Классические физикальные признаки пневмонии могут не обнаруживаться или носят стёртый характер. Рентгенологически при острой ревматической пневмонии выделяют сосудистую и собственно пневмоническую фазы. В первой отмечаются изменения лёгочного рисунка за счёт сосудистого и периваскулярного компонентов, во второй — появление на этом фоне быстро увеличивающихся и сливающихся очагов уплотнения. При двусторонней пневмонии сливающиеся в прикорневых зонах очаговые тени создают на фоне усиленного лёгочного рисунка характерную рентгенологическую картину («крылья бабочки»). Таким образом, ревматическая пневмония характеризуется рядом особенностей, позволяющих дифференцировать её с другими видами пневмонии у больных ревматизмом.

Ревматический плеврит как проявление ревматического серозита по частоте занимает второе место после перикардита. По данным Е. С. Лепской (1980), экссудативные формы плеврита обнаруживаются лишь у 4—5% больных Ревматизм, адгезивные слипчивые плевриты (включая плевроперикардит) при возвратном Ревматизм рентгенологически выявляются у 40% обследованных. При первичном Ревматизм плеврит (смотри полный свод знаний) может быть ранним проявлением острого периода атаки. В этих случаях характерны склонность к двустороннему поражению серозных оболочек плевральных полостей, преимущественно экссудативный характер воспаления. Необходимо помнить о возможности возникновения междолевых, диафрагмальных плевритов, в распознавании которых решающая роль принадлежит рентгенологическому методу исследования. То же можно сказать и об адгезивных плевритах при возвратном Ревматизм, которые клинически диагностируются далеко не всегда. Это связано с трудностями в разграничении собственно ревматического поражения плевры от группы так называемый сердечных плевритов, включающих инфарктные и реактивные серозиты, вызванные неспецифическими воспалительными процессами в застойном лёгком. Важное дифференциально диагностическое значение имеет установление связи изменчивости плевральных поражений с динамикой других клинических проявлений ревматизма.

Поражение органов брюшной полости

Клинически при острых вариантах течения Ревматизм нередко отмечается преходящее увеличение печени и селезёнки. Более стойкий гепато-лиенальный синдром (смотри полный свод знаний) может быть обнаружен при непрерывно-рецидивирующем варианте болезни. В этом случае особое внимание следует уделить дифференциальной диагностике с бактериальным эндокардитом. На основании изучения биопсийного материала А. А. Лихачёвым (1970), у многих больных Ревматизм в печени выявлены изменения со стороны стромы внутри долек и в портальной системе, дистрофия гепатоцитов. Наряду с этим описаны функциональные нарушения со стороны печени по данным биохимических, ферментологических исследований. В литературе, посвящённой вопросам ревматологии, упоминаются ревматический панкреатит и сахарный диабет, описываются подтверждаемые специальными исследованиями преходящие нарушения функционального состояния желудка и кишечника.

Ревматический перитонит представляет собой клинический вариант ревматического полисерозита. Встречается обычно при остром течении в дебюте атаки, почти исключительно в детском и юношеском возрасте (у 3—5% больных). В его основе лежит серозный или серозно-фибринозный перитонит (смотри полный свод знаний). Клиника характеризуется внезапным возникновением обычно на фоне лихорадки и других проявлений острого Ревматизм диффузных или локализованных в той или иной области живота болей, сопровождающихся тошнотой, иногда рвотой, задержкой или учащением стула. Боли могут быть различными по своей выраженности, мигрирующими, схваткообразными и непостоянными. Нередко они напоминают болевой синдром при аппендиците (смотри полный свод знаний), холецистите (смотри полный свод знаний), паранефрите (смотри полный свод знаний), язве желудка (смотри полный свод знаний: Язвенная болезнь), что служит причиной диагностических ошибок, а иногда — неоправданного оперативного вмешательства по поводу острого живота (смотри полный свод знаний). Объективно определяется небольшое непостоянное напряжение брюшной стенки, не всегда чёткая болезненность при пальпации, относительно редко — симптом Щеткина — Блюмберга. Характерно обратное развитие этих симптомов в течение ближайших дней, обычно без склонности к рецидивам.

В диагностике ревматического перитонита важное значение имеют сочетание его с теми или иными бесспорными проявлениями Ревматизм, нестойкий, часто эфемерный характер клинических проявлений, яркий и быстрый эффект антиревматической терапии. Существенна также и характерная диссоциация между выраженностью общих проявлений Ревматизм и неопределённостью, часто стёртым характером локальных симптомов перитонита.

Поражение почек

Признанным является положение о том, что основу почечной патологии при Ревматизм составляет поражение сосудистой системы, прежде всего её капиллярного звена. При этом на разных этапах развития ревматического процесса в зависимости от степени активности, характера течения, выраженности аутоиммунных, гемодинамических, токсико-инфекционных нарушений могут обнаруживаться разнообразные проявления почечной патологии в различных сочетаниях. Так, у больных с острым течением, максимальной активностью процесса сравнительно часто обнаруживаются кратковременная протеинурия (смотри полный свод знаний), гематурия (смотри полный свод знаний). Очаговый и реже диффузный гломерулонефриты (смотри полный свод знаний) выявляются обычно при хроническом, прежде всего непрерывно-рецидивирующем течении Ревматизм

Ревматическое поражение почек в отличие от так называемой застойной почки характеризуется большей стойкостью мочевого синдрома, преимущественно эритроцитурией, снижением концентрационной функции почек, положительной динамикой изменений на фоне лечения противовоспалительными средствами. По данным А. И. Струкова и А. И. Грицюка, в дифференциальной диагностике следует учитывать также тромбоваскулиты, инфаркты почек, обнаруживаемые патологоанатомически в финальной стадии Ревматизм

Поражение кожи и подкожной клетчатки

К характерным ревматическим поражениям кожи, обозначенным А. А. Киселем как «абсолютные признаки ревматизма», относят кольцевидную эритему (смотри полный свод знаний) и ревматические узелки. Кольцевидная эритема (erythema annulare, erythema marginatum) обнаруживается обычно в детском и юношеском возрасте, реже — у взрослых. Клинически она проявляется бледно-розовыми, иногда с синеватым оттенком, порой едва различимыми кольцевидными высыпаниями на коже, не сопровождающимися зудом или другими субъективными ощущениями. Характерен тонкий, местами исчезающий ободок кольца с чётко очерченным наружным и более бледным, расплывчатым внутренним краем. Диаметр высыпаний — от нескольких миллиметров до 7—8 сантиметров. Иногда первичные элементы сыпи возникают в виде увеличивающихся в размерах бледно-розовых пятен с постепенно бледнеющим центром. Образующиеся тонкие кольца сливаются в причудливые полициклические фигуры, не возвышающиеся над уровнем кожи, легко исчезающие при надавливании предметным стеклом. Преимущественная локализация — плечи, туловище, реже кожа голеней, предплечий, бёдер, шеи, лица. Кольцевидная эритема может быстро возникнуть и так же быстро исчезнуть, появляется в любой фазе развития ревматической атаки. Возникая на фоне свойственных активному Ревматизм распространённых изменений микроциркуляторного русла, кольцевидная эритема не всегда, однако, рассматривается как проявление кожного васкулита. Высказываются предположения о ведущей роли вазомоторных реакций, возникающих в сенсибилизированном организме под влиянием вазоактивных субстанций, нарушений вегетативной регуляции. Кольцевидная эритема настолько характерна для Ревматизм, что по праву отнесена к основным диагностическим критериям его активной фазы. Вместе с тем она не является абсолютно специфичной, так как описана при сепсисе, гломерулонефрите, реакциях лекарственной непереносимости и других состояниях. У детей кольцевидная эритема наблюдается при токсико-аллергической форме хронического тонзиллита. Помимо типичной кольцевидной эритемы, у больных Ревматизм детей (реже подростков) может наблюдаться и аннуляроподобная сыпь.

Ревматические узелки (noduli rheumatici) как отличительный признак Ревматизм в отечественной литературе впервые описаны А. А. Киселем в 1893 год Это округлые, плотные, варьирующие по размерам от нескольких миллиметров до 1 — 2 сантиметров безболезненные образования. Кожа над ними подвижна, не воспалена. Возникая быстро, узелки локализуются обычно у мест прикрепления сухожилий, над костными поверхностями и выступами, в области коленных, локтевых, пястно-фаланговых суставов, в области лодыжек, ахиллова (пяточного) сухожилия, затылочной части сухожильного шлема (galea aponeurotica). Появившись, они могут исчезнуть в течение нескольких дней, но чаще подвергаются обратному развитию лишь через 1—2 месяцев без определяемых остаточных изменений. Большинство исследователей рассматривают ревматические узелки как аналоги ашофф-талалаевских гранулем, различия с которыми обусловлены особенностями местной тканевой реактивности. От ревматоидных узелков, характерных для ревматоидного артрита (смотри полный свод знаний), ревматические узелки отличаются меньшей величиной, множественностью, отсутствием чёткой тенденции к образованию палисадообразных структур, выявляемых при микроскопическом исследовании биопсийного материала.

Как характерное проявление активной фазы Ревматизм узелки относят к основным диагностическим критериям заболевания. Однако они не имеют абсолютного диагностического значения (аналогичные образования описаны при других заболеваниях) и не являются ранним диагностическим признаком. Диагностическая ценность обнаружения ревматических узелков значительно уменьшилась и в связи с резким снижением частоты их проявления за последние два — три десятилетия.

Значительно менее характерны по сравнению с кольцевидной эритемой и ревматическими узелками и потому не имеют диагностического значения наблюдаемые при Ревматизм узловатая эритема (erythema nodosum), полиморфная экссудативная эритема (erythema exsudativum multiforme) и возникающие при высокоактивных формах заболевания мелкоточечные геморрагические высыпания — peliosis rheumatica.

Критерии диагностики ревматизма

Несмотря на достижения в разработке современных диагностических методов, нередко установление достоверного диагноза Ревматизм, особенно его начальных проявлений, составляет далеко не лёгкую задачу для врача. Отсутствие специфических клинических и лабораторных диагностических тестов определяет необходимость синдромного подхода к установлению диагноза Ревматизм Суть последнего заключается в обоснованном представлении о том, что нозологическая специфичность болезни может быть установлена при обнаружении характерного для неё сочетания неспецифических синдромов. Именно этот принцип составил основу предложенных А. А. Киселем диагностических критериев острого Ревматизм Указав на диагностическую значимость характерных для этого заболевания синдромов кардита, полиартрита, хореи, ревматических узелков, кольцевидной эритемы, он обратил внимание на важность их сочетаний для достоверного распознавания Ревматизм Позднее те же пять синдромов отнесены американским кардиологом Джонсом (Т. D. Jones, 1944) к главным («большим») диагностическим критериям «острой ревматической лихорадки». Кроме того, им были выделены дополнительные («малые») клинические и лабораторные критерии. Предложенная схема была модифицирована и утверждена Американской ассоциацией кардиологов в 1955 и 1965 годы Последний вариант пересмотра представлен в табл. 3.



Информация об Ordo Deus Перейти в оглавление сайта



Сочетание двух «больших» или одного большого и двух «малых» критериев указывает на большую вероятность Ревматизм лишь в том случае, если выявляются признаки предшествующей стрептококковой инфекции (недавно перенесённая скарлатина, высевание из носоглотки стрептококков группы А, повышенные титры антистрептолизина-0 или других противострептококковых антител). Схема диагностических критериев Джонса в её модификациях, по праву называемая в нашей стране схемой Киселя — Джонса, получила повсеместное распространение.

Бесспорно, что указанные схемы диагностических критериев сыграли и, несомненно, играют большую роль в разработке более строгих требований к диагностике Ревматизм, в обособлении Ревматизм от группы сходных синдромов и заболеваний. Справедливо, однако, и то, что рекомендуемые сочетания критериев не всегда гарантируют достоверность диагностики. Снижение в несколько раз за последние два—три десятилетия частоты выявления ревматических узелков, кольцевидной эритемы свело к минимуму диагностическую ценность этих симптомов при распознавании Ревматизм Недостаточно пригодной оказалась данная схема критериев и для ранней диагностики первичного Ревматизм, его затяжных вариантов, что особенно важно для своевременного лечения и предупреждения тяжёлых последствий болезни.

Развивая идею синдромной диагностики первичного ревматизма, А. И. Нестеров в 1973 год предложил выделить три основных синдрома, сочетание которых позволяет значительно повысить достоверность диагноза. К первому — клинико-эпидемиологическому синдрому он отнёс анамнестически чётко выявленную стрептококковую инфекцию, обострения которой находятся в хронологической связи с начальными симптомами Ревматизм, наличие повторных носоглоточных инфекций. Констатация такого рода клинико-эпидемиологической связи, по мнению большинства исследователей, составляет один из первостепенных элементов диагноза Ревматизм Следующий клинико-иммунологический синдром включает: немотивированную задержку восстановления общего состояния больного после перенесённой носоглоточной инфекции, утомляемость, сердцебиение, артралгии, непостоянный субфебрилитет; обнаружение в крови у больных повышенных титров противострептококковых антител. Кроме того, ещё до появления первых клинических симптомов могут быть обнаружены изменения биохимических показателей, сопровождающие воспаление,— диспротеинемия (смотри полный свод знаний: Протеинемия), ускорение РОЭ, повышение уровня серомукоида и α2-глобулинов (смотри полный свод знаний: Иммуноглобулины), появление С-реактивного белка и тому подобное Наконец, третий необходимый компонент синдромной диагностики первичного Ревматизм— это характерный кардиоваскулярный синдром. Выявляемый при помощи физикального, инструментально-графического, рентгенологического и других методов исследования, он подтверждает наличие кардита и характерных экстракардиальных проявлений ревматического процесса.

Комплексное обследование больных с первичным Ревматизм, их катамнестическое наблюдение в Институте ревматологии АМН СССР показало, что использование описанного синдромного метода в значительной мере повышает достоверность диагностики первичного Ревматизм, в том числе и его затяжных вариантов.

Большое практическое значение имеют также разработанные группой ревматологов СССР (Л. И. Беневоленская, Н. А. Андреев и другие, 1975) критерии диагностики Ревматизм, пригодные для эпидемиологических исследований. Необходимо, однако, всегда иметь в виду, что ни одна схема не заменит активной диагностической и дифференциально-диагностической работы врача хотя бы потому, что распознавание любого симптома или синдрома требует определённого клинического опыта и достаточного уровня врачебной квалификации.

Лечение

Представление о Ревматизм как о системном заболевании с преимущественным поражением сердечно-сосудистой системы, клинико-морфологические данные о стадийности его развития с учётом этиологической роли β-гемолитического стрептококка группы А обосновали создание отечественной системы трёхэтапного лечения Ревматизм Выдвинутое в 60—70-х годах А. И. Нестеровым клинико-иммунологическое направление в изучении Ревматизм внесло существенный вклад в её дальнейшее развитие. В современном виде эта система включает: лечение активной фазы болезни в стационаре, продолжение лечения после выписки из стационара в ревматологическом кабинете поликлиники для взрослых, или кардиоревматологическом кабинете детской поликлиники, или в пригородном санатории с подключением реабилитационных мероприятий, последующее многолетнее диспансерное наблюдение и профилактическое амбулаторное лечение. Более чем двадцатилетний опыт борьбы с ревматизмом в СССР подтвердил высокую эффективность трёхэтапного лечения и систематического многолетнего наблюдения больных в условиях поликлиники. Успех лечения зависит от того, насколько индивидуализирована его программа в зависимости от степени активности, варианта течения ревматического процесса, выраженности кардита, тяжести клапанного и мышечного поражения сердца, наличия стрептококковой инфицированности. В общих чертах такая программа складывается из противомикробной и противовоспалительной терапии, мероприятий, направленных на восстановление иммунологического гомеостаза, организацию адекватного режима, сбалансированного питания, на адаптацию к физической и трудовой нагрузке, своевременное оперативное лечение порока сердца, очаговой инфекции.

Лечению в стационаре подлежат, как правило, больные с активной фазой заболевания. При наличии максимальной или умеренной активности ревматического процесса показан преимущественно постельный режим в течение 2—3 и более недель. Его длительность определяется также выраженностью кардита, нарушением компенсации сердечной деятельности и другими осложнениями. Установлена, однако, целесообразность относительно раннего расширения двигательной активности с рациональным использованием индивидуализированных комплексов лечебной гимнастики. Опыт показывает также, что больные с активной фазой Ревматизм не нуждаются в строгой специальной диете. Необходимо вместе с тем принять во внимание, что в лихорадочном периоде пища должна быть богата витаминами, легко усвояема, достаточно питательна, но не высококалорийна. Тезис о патогенетическом значении избытка углеводов остаётся по меньшей мере дискуссионным. Рацион больного ревматизмом должен включать достаточное количество полноценных белков (не менее 1 грамм/килограмм веса тела) и липидов.

Этиотропная терапия Ревматизм осуществляется пенициллином, оказывающим бактерицидное действие на гемолитические стрептококки, в том числе группы А всех типов. Одним из условий эффективности противострептококкового лечения является его достаточная продолжительность. Этой задаче соответствует не менее чем двухнедельное назначение инъекций пенициллина в период активной фазы с последующим переходом на применение пролонгированного препарата бициллина-5. Рекомендуемые дозы: 1 200 000—1 500 000 ЕД калиевой или натриевой соли пенициллина в сутки в течение 2 недель, затем по 1 500 000 ЕД бициллина-5 один раз в 4 недели. При непереносимости пенициллина может быть рекомендован эритромицин по 0,25 грамм 4 раза в день в течение того же срока. Применение сульфаниламидов и тетрациклиновых препаратов не оправдано из-за возможности возникновения устойчивости к ним штаммов стрептококка.

С целью предупреждения стрептококковой суперинфекции рекомендуется помещать больных в маломестные, регулярно проветриваемые палаты, производить их ультрафиолетовое облучение, обеспечивать строгое соблюдение больными мер личной гигиены. Для выявления хронического тонзиллита (смотри полный свод знаний) и тщательного консервативного, а при необходимости — оперативного его лечения, все больные Ревматизм обследуются и наблюдаются оториноларингологом. Как правило, тонзиллэктомия показана лишь после выписки больного из стационара при нормализации или значительном снижении показателей активности ревматического процесса.

Противовоспалительная и иммунодепрессивная терапия — одно из важнейших звеньев собственно патогенетической терапии ревматизма. К противовоспалительным средствам (смотри полный свод знаний), применяемым для лечения активной фазы заболевания, относятся глюкокортикостероидные гормоны, производные салициловой кислоты (пиразолоновые и индольные), дериваты фенилуксусной кислоты и другие К противоревматическим средствам (смотри полный свод знаний) преимущественно иммунодепрессивного действия с вторичным противовоспалительным эффектом относятся производные хинолина (делагил, плаквенил).

Разграничение вариантов течения, выделение степеней активности Ревматизм предполагает и дифференцированный подход к проведению лечебных мероприятий в соответствующих 1 клинических группах. Схема лечения Ревматизм у детей в основном такая же, меняются лишь дозы лечебных препаратов. Ярко выраженная хорея требует назначения комплексной гормонально-медикаментозной терапии, поскольку ни одно из изолированно назначенных лекарственных средств не оказывает должного терапевтического эффекта.

Рано начатая энергичная противовоспалительная терапия способна предупредить или в значительной мере ограничить развитие грубых фиброзных деформаций клапанов сердца. Она особенно необходима для лечения острых и подострых вариантов течения болезни, наиболее часто выявляемых при первичном Ревматизм Методом выбора для лечения больных этой категории является применение глюкокортикоидных гормонов (преднизолон по 20—30 миллиграмм в день) в сочетании с нестероидными противовоспалительными препаратами. Показано, что такое лечение при указанных вариантах течения болезни позволяет без существенных побочных проявлений за короткий срок оказать купирующее воздействие на активный ревматический процесс.

Иная тактика лекарственной терапии используется при хронических вариантах течения болезни (прежде всего при затяжном и латентном), развивающихся обычно при возвратном ревматизме, часто при наличии уже далеко зашедших изменений в клапанном аппарате сердца и в миокарде. Редуцированный характер воспалительных реакций, выраженные дистрофические изменения, нарушения белкового, энергетического, водно-электролитного обмена определяют недостаточную эффективность у этих больных глюкокортикостероидных препаратов. Многолетний клинический опыт и специально осуществлённые исследования свидетельствуют о значительно большей целесообразности назначения в этих случаях производных хинолина (делагил, плаквенил) на срок не менее года в сочетании с ежемесячными инъекциями бициллина-5 и средствами, оказывающими благоприятное влияние на нарушенные метаболические процессы. Нестероидные противовоспалительные препараты назначаются также на длительный срок в дозах, адекватных степени активности ревматического процесса с учётом выраженности его обострений. С целью воздействия на течение хронического васкулита, гиперкоагуляцию, повышенную агрегацию тромбоцитов при затяжных, непрерывно-рецидивирующих вариантах Ревматизм показано назначение таких препаратов, как андекалин, компламин, курантил. Особенно продуманными и индивидуализированными должны быть методы лечения непрерывно-рецидивирующего варианта течения Ревматизм на высоте обострения болезни, сопровождающегося ярко выраженной воспалительной реакцией. В этом периоде назначают глюкокортикостероиды и большие дозы нестероидных противовоспалительных препаратов.

Второе звено системы поэтапного лечения Ревматизм предусматривает пребывание больного, особенно ребёнка и подростка, в местном ревматологическом или взрослых в кардиологическом санатории и дальнейшее лечение в поликлинических условиях. Основная цель — продолжение противоревматической терапии нестероидными противовоспалительными и хинолиновыми препаратами, систематическое введение бициллина-5, применение лечебной гимнастики и закаливающих процедур с целью восстановления нарушенных защитных функций.

В задачу третьего звена входит диспансерное наблюдение и профилактическое лечение больного Ревматизм При этом к задачам диспансеризации относятся: осуществление лечебных мероприятий, направленных на окончательную ликвидацию активного ревматического процесса; лечение нарушений кровообращения у больных пороками сердца, решение совместно с кардиохирургом вопросов хирургической коррекции пороков, проведение при показаниях тонзиллэктомии; решение вопроса о возможности назначения климато-бальнеотерапии; решение вопросов реабилитации, трудоспособности, трудоустройства; осуществление вторичной профилактики рецидивов заболевания. В таблице 4 приведены примерные схемы (варианты) лекарственной терапии больных ревматизмом при последовательном лечении их в стационаре, поликлинике, санатории в зависимости от течения ревматического процесса.

Лечебная физкультура. ЛФК является важным компонентом комплексного лечения Ревматизм на всех этапах: стационар, поликлиника, санаторий, включая самостоятельные занятия на дому по специальным рекомендациям. Значительное место занимает профилактика обострений с помощью систематической тренировки физическими упражнениями и закаливанием (смотри полный свод знаний). ЛФК при поражении сердечнососудистой системы способствует компенсации сердечной недостаточности путём воздействия на экстракардиальные факторы, улучшение обменных процессов в миокарде. Лечебная гимнастика при предписанном больному постельном режиме носит разгрузочный характер, ставя своей задачей облегчить работу сердца. В положении лёжа применяются простые упражнения в медленном темпе для отдельных мышечных групп в сочетании с нефорсированными дыхательными упражнениями общей продолжительностью занятия 5—7 минут 2—3 раза в день. При постельном режиме лечебная гимнастика осуществляется в положении лежа и полулёжа, а при расширении режима — лёжа и сидя. Медленный темп упражнений чередуется со средним, используются упражнения для рук и ног, а затем туловища в сочетании с дыхательньши упражнениями, продолжительность процедуры достигает уже 15 минут При полупостельном режиме, когда ЛФК ставит своей задачей и приспособление сердечно-сосудистой системы к увеличивающейся дозированной нагрузке, применяются утренняя гигиеническая и лечебная гимнастика, которые включают в положении стоя и при ходьбе упражнения для всех мышечных групп с элементами усилия (упражнения на сопротивление, с отягощением), а также упражнения для выработки правильной осанки с применением игр малой и средней подвижности и дыхательные упражнения; продолжительность процедуры 20 минут При палатном режиме ЛФК проводится в кабинете с использованием различных исходных положений, гимнастических снарядов, с широким использованием игр средней подвижности — продолжительностью 25—30 минут, и обязательным проведением утренней гигиенической гимнастики. При общем режиме используются многие средства ЛФК: утренняя гигиеническая и лечебная гимнастика, дозированная ходьба при прогулках, самостоятельные занятия по заданиям. В процедуру лечебной гимнастики, продолжительностью до 35 минут, включают быструю ходьбу, бег, подскоки, различные игры. На всех этапах лечения показан массаж.

ЛФК при пороках сердца — смотри, полный свод знаний: Пороки сердца приобретённые, лечебная физкультура.

При артрите ЛФК показана в фазе стихания процесса. Тренировку целесообразно начинать с непоражённых суставов, постепенно переходя к упражнениям на больных суставах. В положении лёжа применяют элементарные упражнения по прямым направлениям движений, осторожно, не вызывая или не усиливая имеющуюся боль. При стихании острых явлений объем средств лечебной физкультуры возрастает: используются гимнастические упражнения с нагрузкой на все суставы, с широким применением различных снарядов и специальных приспособлений.

ЛФК при хорее показана при стихании острых явлений. В начале курса лечения процедуру лечебной гимнастики проводят лёжа, упражнения должны быть простыми, выполняться в спокойном темпе с помощью инструктора. По мере освоения упражнений и уменьшения степени гиперкинезов движения усложняются, включаются упражнения на координацию, равновесие. Продолжительность процедуры от 5—10 минут до 20 минут два раза в день, кроме того, подключают настольные игры, рисование, лепку и другие



Информация об Ordo Deus Перейти в оглавление сайта



Прогноз

p>Ранняя диагностика, своевременно назначенная адекватная терапия, правильное использование всех звеньев этапного лечения способствуют подавлению активности ревматического процесса, предупреждению формирования порока сердца значительному сокращению рецидивов болезни. Прогноз Ревматизм определяется главным образом исходом поражения сердца, чаще всего клапанного эндокардита (вальвулита). Поэтому прогнозирование исхода первичного ревматического вальвулита имеет первостепенное значение для прогноза Ревматизм в целом. Н. Н. Кузьминой, А. В. Труфановой, Т. Г. Глазковой (1978) разработаны с помощью ЭВМ прогностические таблицы для детского контингента больных Ревматизм, позволяющие предсказать исход заболевания по результатам клинико-инструментального обследования; проведена также оценка различных схем лечения в зависимости от прогнозируемого исхода вальвулита; сопоставление получаемых данных позволяет избрать для конкретного больного комплекс лечения, обеспечивающий наиболее благоприятный исход.

Профилактика

Выявление роли стрептококковой инфекции в возникновении Ревматизм и его рецидивов позволяет осуществлять первичную профилактику заболевания. Она состоит из мер, направленных на планомерное и разумное закаливание организма, развитие физкультуры и спорта, проведение широких санитарно-гигиенических мероприятий, снижающих возможность стрептококкового инфицирования населения, в первую очередь детских коллективов. Важны меры по своевременному распознаванию и эффективному лечению как хронической, так и остропротекающей стрептококковой инфекции. При возникновении острых носоглоточных инфекций, обусловленных стрептококком, кроме изоляции больных и соблюдения постельного режима, большое значение имеет возможно раннее назначение соответствующего лечения.

Вторичная профилактика направлена на предупреждение рецидивов и прогрессирования болезни у лиц, уже перенёсших Ревматизм Кроме мероприятий, относящихся к первичной профилактике, она включает методы круглогодичной и сезонной бициллино-медикаментозной профилактики рецидивов, осуществляемой врачами-ревматологами амбулаторно-профилактических учреждений или участковыми врачами. Используемый в Советском Союзе круглогодичный метод профилактики рецидивов Ревматизм осуществляется путём регулярных инъекций бициллина-5 в дозе 600 000 ЕД 1 раз в 3 недели детям дошкольного возраста, старше 8 лет — 1 200 000 ЕД 1 раз в 4 недели, подросткам и взрослым — 1 500 000 ЕД 1 раз в 4 недели.

В весенний и осенний периоды в течение 4 недель дополнительно назначается ацетилсалициловая кислота взрослым в дозе 2,0 грамм, детям 1,0—1,5 грамм в день или другой нестероидный противовоспалительный препарат. После 3-летнего проведения круглогодичной бициллинопрофилактики при отсутствии рецидивов последующие 2 года назначается сезонная профилактика. Она осуществляется весной и осенью в течение 6—8 недель бициллином-5 в дозе 1 500 000 ЕД, вводимой ежемесячно в сочетании с ацетилсалициловой кислотой в дозе 2,0 грамм в день. Больным с хроническими вариантами течения Ревматизм наряду с перечисленными выше профилактическими мероприятиями особенно большое внимание необходимо уделять мерам, способствующим восстановлению нарушенной реактивности, компенсации функций сердечно-сосудистой системы. Накоплен большой опыт рационального использования курортных факторов в этапном лечении Ревматизм

Среди реабилитационных мероприятий важное место принадлежит оперативному лечению пороков сердца, результаты которого в значительной степени зависят от осуществляемой ревматологами предоперационной подготовки и послеоперационного наблюдения больных.

Смотри полный свод знаний: Коллагеновые болезни.

Бронзов И.А.; Долгополова А.В.; Кузьмина Н.Н.; Михеев В.В.; Насонова В.А.; Нестеров А.И.; Федорова Г.С.; Цивилько М.А.; Шехтер А.Б.

⇐ Перейти на главную страницу сайта

⇑ Вернуться в начало страницы ⇑

Библиотека Ordo Deus ⇒

⇐ Реактивные психозы

⇓ Полный свод знаний. Том первый А. ⇓

Ревматоидный артрит ⇒

Все статьи в полном изложении, Вы можете найти в большой медицинской энциклопедии — Главный редактор: академик АН СССР (РАН) и АМН СССР (РАМН) Б.В. Петровский. — Москва издательство «Советская энциклопедия» 1989г.

Внимание! Вы находитесь в библиотеке «Ordo Deus». Все книги в электронном варианте, содержащиеся в библиотеке «Ordo Deus», принадлежат их законным владельцам (авторам, переводчикам, издательствам). Все книги и статьи взяты из открытых источников и размещаются здесь только для чтения.

Вся информация на сайте Ordo Deus находится в свободном доступе. Ordo Deus не предоставляет информацию на платной основе.

Все авторские права сохраняются за правообладателями. Если Вы являетесь автором данного документа и хотите дополнить его или изменить, уточнить реквизиты автора, опубликовать другие документы или возможно вы не желаете, чтобы какой-то из ваших материалов находился в библиотеке, пожалуйста, свяжитесь с нами по e-mail:
info @ ordodeus. ru
Формы для прямой связи с нами находятся в нижней части страниц: контакты и устав «Ordo Deus», для перехода на эти страницы воспользуйтесь кнопкой контакты вверху страницы или ссылкой в оглавлении сайта.

Вас категорически не устраивает перспектива безвозвратно исчезнуть из этого мира? Вы не желаете закончить свой жизненный путь в виде омерзительной гниющей органической массы пожираемой копошащимися в ней могильными червями? Вы желаете вернувшись в молодость прожить ещё одну жизнь? Начать всё заново? Исправить совершённые ошибки? Осуществить несбывшиеся мечты? Перейдите по ссылке: «главная страница».

© Ordo Deus, 2010. При копировании ссылка на сайт http://www.ordo-deus.ru обязательна.