Оглавление
-
Дорога к бессмертию
-
Бессмертие и религия
-
Философия бессмертия
-
Бессмертие и наука
-
История анабиоза
-
Смерть
-
Кора головного мозга
-
Бессмертие и анабиоз
-
Анабиоз, медицина и биология
-
Анабиоз и экономика
-
Анабиоз и закон
-
Анабиоз в Антарктиде
-
Техническое обеспечение анабиоза
-
Бессмертие и вера
-
Библиотека Ordo Deus
-
Контактная страница Ordo Deus
|
Нейрофиброма
Нейрофиброма (neurofibroma; греческий neuron нерв латинское fibra волокно + -oma) — доброкачественная опухоль, развивающаяся из оболочек нервов. Нейрофиброма одинаково часто встречается у взрослых и у детей. Она локализуется главным образом в коже и подкожной клетчатке, а также может располагаться в мягких тканях, корешках спинного мозга, средостении, желудочно-кишечные тракте, почках, забрюшинной клетчатке, других органах и тканях. Многочисленные Нейрофиброма встречаются при нейрофиброматозе (смотри полный свод знаний).
По мнению некоторых исследователей, Нейрофиброма имеет дизонтогенетическое происхождение и связана с избыточной эмбриональной закладкой нервных стволов.
Макроскопически Нейрофиброма представляет собой солитарный плотный или плотноэластичный бугристый узел величиной от 0,1 сантиметров до нескольких сантиметров в диаметре. Ткань узла на разрезе влажная, слоистая, бело-розового или бурого цвета, иногда имеет вид желтоватой желеобразной массы; может содержать кистозные полости. Исходящая из концевых отделов нерва Нейрофиброма обычно имеет вид мягкого узла, располагающегося на коже спины, конечностей или головы, покрытого резко пигментированным или депигментированным эпидермисом.
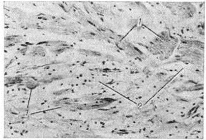
Выделяют инкапсулированную и диффузную Нейрофиброма Общим для структуры Нейрофиброма является беспорядочное расположение нервных волокон внутри периневрия, где они разделены вытянутыми клетками и рыхлыми прослойками соединительной ткани (цветной рисунок 2). Инкапсулированная Нейрофиброма возникает главным образом в крупных нервах. Нерв при этом приобретает на некотором протяжении веретенообразную форму за счёт очагового беспорядочного разрастания нервных проводников, разделённых пучками коллагеновых волокон. В Нейрофиброма кожи нервные волокна иногда бывает трудно обнаружить, так как они представлены очень скудно. В инкапсулированной Нейрофиброма часто отмечают нарушения лимфообращения, проявляющиеся признаками выраженного отёка и миксоматоза. По мере распространения отёка из периневрального пространства на внутреннюю часть нервного ствола усиливается его разволокнение, миелиновые волокна исчезают и замещаются фиброзными тяжами. Дальнейший рост такой Нейрофиброма постепенно замедляется и может приостановиться.
|
Диффузная Нейрофиброма возникает главным образом в результате поражения мелких нервов кожи. Нередко диффузная Нейрофиброма состоит преимущественно из вытянутых, формирующих полосы и тяжи веретенообразных леммоцитов (шванновских клеток), расположенных в слабо развитой строме. Палисадообразная ориентировка ядер, как это отмечается в неврилеммоме (смотри полный свод знаний Невринома), в Нейрофиброма, как правило, не встречается. В диффузной Нейрофиброма иногда обнаруживают пигментные клетки типа меланофоров нейроэктодермального происхождения и осязательные тельца (типа осязательных телец — телец Мейсснера) или пластинчатые тельца (типа телец Фатера— Пачини). Нейрофиброма возникающая в симпатическом стволе, может включать ганглиозные клетки и по микроскопической картине иногда напоминает неинкапсулированную ганглионеврому.
Морфологически признаками малигнизации Нейрофиброма являются пролиферация веретенообразных клеток с большими гиперхромными ядрами, нарастание клеточного полиморфизма с образованием гигантских многоядерных форм, появление многочисленных фигур митоза и некротических фокусов.
Клинические, картина Нейрофиброма характеризуется появлением болей постоянного характера с иррадиацией по ходу поражённого нерва. При пальпации узлы Нейрофиброма, как правило, остаются неподвижными, если предпринимается попытка смещения её вдоль оси поражённого нерва. Нейрофиброма внутренних органов может вызывать функциональный расстройства, а Нейрофиброма корешков спинного мозга — двигательные нарушения. Малигнизация Нейрофиброма наступает редко и выражается клинически в ускорении роста опухолевого узла или возникновении рецидивов опухоли после оперативного лечения.
Лечение оперативное.
Прогноз, как правило, благоприятный.
|
Все статьи в полном изложении, Вы можете найти в большой медицинской энциклопедии — Главный редактор: академик АН СССР (РАН) и АМН СССР (РАМН) Б.В. Петровский. — Москва издательство «Советская энциклопедия» 1989г.
|
|
Внимание! Вы находитесь в библиотеке «Ordo Deus». Все книги в электронном варианте, содержащиеся в библиотеке «Ordo Deus», принадлежат их законным владельцам (авторам, переводчикам, издательствам). Все книги и статьи взяты из открытых источников и размещаются здесь только для чтения.
|
|
Вся информация на сайте Ordo Deus находится в свободном доступе. Ordo Deus не предоставляет информацию на платной основе.
|
|
Все авторские права сохраняются за правообладателями. Если Вы являетесь автором данного документа и хотите дополнить его или изменить, уточнить реквизиты автора, опубликовать другие документы или возможно вы не желаете, чтобы какой-то из ваших материалов находился в библиотеке, пожалуйста, свяжитесь с нами по e-mail: info @ ordodeus. ru Формы для прямой связи с нами находятся в нижней части страниц: контакты и устав «Ordo Deus», для перехода на эти страницы воспользуйтесь кнопкой контакты вверху страницы или ссылкой в оглавлении сайта.
|
Вас категорически не устраивает перспектива безвозвратно исчезнуть из этого мира? Вы не желаете закончить свой жизненный путь в виде омерзительной гниющей органической массы пожираемой копошащимися в ней могильными червями? Вы желаете вернувшись в молодость прожить ещё одну жизнь? Начать всё заново? Исправить совершённые ошибки? Осуществить несбывшиеся мечты? Перейдите по ссылке:
«главная страница».
|