Ксантома

Оглавление

  1. Дорога к бессмертию
  2. Бессмертие и религия
  3. Философия бессмертия
  4. Бессмертие и наука
  5. История анабиоза
  6. Смерть
  7. Кора головного мозга
  8. Бессмертие и анабиоз
  9. Анабиоз, медицина и биология
  10. Анабиоз и экономика
  11. Анабиоз и закон
  12. Анабиоз в Антарктиде
  13. Техническое обеспечение анабиоза
  14. Бессмертие и вера
  15. Библиотека Ordo Deus
  16. Контактная страница Ordo Deus

Ксантома

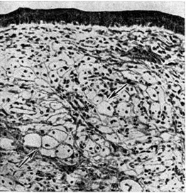
Ксантома (xanthoma; греческий хапthos золотисто-жёлтый + -oma; синонимы: сальный моллюск, липоматозная фиброма) — очаговое отложение в коже и некоторых тканях триглицеридов и холестерина, вызванное нарушениями жирового обмена. Термин «ксантома» введён в 1864 год Смитом (W. F. Smith). Морфологически основой Ксантома являются так называемый ксантомные клетки (рис.) — одно или многоядерные фагоциты с пенистой цитоплазмой, содержащей двоякопреломляющие жировые включения; в дерме может быть лимфогистиоцитарная инфильтрация, встречаются гигантские клетки инородных тел, прогрессирует фиброз.

Различают локальные и генерализованные формы Ксантома Локальными формами Ксантома являются ксантелазма век (смотри полный свод знаний) и туберозная Ксантома, которая имеет вид узлов желтоватого цвета с гладкой поверхностью диаметром до нескольких сантиметров, располагающихся чаще в области локтевого или коленного суставов. Генерализованная форма Ксантома имеет вид множественных мелких узелков, папулёзных и эруптивных элементов на различных участках кожи; встречается при сахарном диабете, болезни Хенда — Шюллера — Крисчена.

Информация об Ordo Deus Перейти в оглавление сайта

Рис
Микропрепарат туберозной ксантомы: стрелками указаны скопления ксантомных клеток.

При локальных формах Ксантома, в основном с косметической целью, применяется оперативное лечение или местное разрушение узелков с помощью, например, диатермокоагуляции (смотри полный свод знаний), криодеструкции (смотри полный свод знаний Криохирургия). Возможны рецидивы.

Смотри, полный свод знаний Ксантоматоз.


⇐ Перейти на главную страницу сайта

⇑ Вернуться в начало страницы ⇑

Библиотека Ordo Deus ⇒

⇐ Ксантелазма век

⇓ Полный свод знаний. Том первый А. ⇓

Ксантоматоз ⇒

Все статьи в полном изложении, Вы можете найти в большой медицинской энциклопедии — Главный редактор: академик АН СССР (РАН) и АМН СССР (РАМН) Б.В. Петровский. — Москва издательство «Советская энциклопедия» 1989г.

Внимание! Вы находитесь в библиотеке «Ordo Deus». Все книги в электронном варианте, содержащиеся в библиотеке «Ordo Deus», принадлежат их законным владельцам (авторам, переводчикам, издательствам). Все книги и статьи взяты из открытых источников и размещаются здесь только для чтения.

Библиотека «Ordo Deus» не преследует никакой коммерческой выгоды.

Все авторские права сохраняются за правообладателями. Если Вы являетесь автором данного документа и хотите дополнить его или изменить, уточнить реквизиты автора, опубликовать другие документы или возможно вы не желаете, чтобы какой-то из ваших материалов находился в библиотеке, пожалуйста, свяжитесь с нами по e-mail:
info @ ordodeus. ru
Формы для прямой связи с нами находятся в нижней части страниц: контакты и устав «Ordo Deus», для перехода на эти страницы воспользуйтесь кнопкой контакты вверху страницы или ссылкой в оглавлении сайта.

Вас категорически не устраивает перспектива безвозвратно исчезнуть из этого мира? Вы не желаете закончить свой жизненный путь в виде омерзительной гниющей органической массы пожираемой копошащимися в ней могильными червями? Вы желаете вернувшись в молодость прожить ещё одну жизнь? Начать всё заново? Исправить совершённые ошибки? Осуществить несбывшиеся мечты? Перейдите по ссылке: «главная страница».

© Ordo Deus, 2010. При копировании ссылка на сайт http://www.ordo-deus.ru обязательна.