Гоше болезнь

Оглавление

  1. Дорога к бессмертию
  2. Бессмертие и религия
  3. Философия бессмертия
  4. Бессмертие и наука
  5. История анабиоза
  6. Смерть
  7. Кора головного мозга
  8. Бессмертие и анабиоз
  9. Анабиоз, медицина и биология
  10. Анабиоз и экономика
  11. Анабиоз и закон
  12. Анабиоз в Антарктиде
  13. Техническое обеспечение анабиоза
  14. Бессмертие и вера
  15. Библиотека Ordo Deus
  16. Контактная страница Ordo Deus

Гоше болезнь

Гоше болезнь (Ph. Ch. E. Gaucher, французский дерматолог, 1854— 1918) — наследственная болезнь, характеризующаяся накоплением глюкоцереброзидов в клетках системы фагоцитирующих мононуклеаров; относится к болезням накопления липидов — сфинголипидозам (смотри полный свод знаний).



Заболевание впервые описано Гоше в 1882 год Гоше болезнь встречается редко.

Этиология и патогенез

Гоше болезнь в большинстве случаев наследуется по аутосомно-рецессивному типу, поэтому чаще наблюдается у родных братьев, сестёр. Описаны случаи Гоше болезнь и у представителей разных поколений (дядей, тётей и племянников), когда наследование, по-видимому, идёт по аутосомно-доминантному типу с неполной проявляемостью мутантного гена.

Развитие Гоше болезнь обусловлено наследственным дефицитом гидролитического фермента глюкоцереброзидазы — β-глюкозидазы (смотри полный свод знаний Глюкозидазы). Одним из источников накопления глюкоцереброзидов служат эритроциты. При разрушении эритроцитов в обычных местах фагоцитирования (селезёнка, лёгкие) и расщеплении их липидной оболочки происходит освобождение глюкоцереброзидов. Ещё более важным источником накопления глюкоцереброзидов служат распадающиеся лейкоциты. Дефицит фермента ведёт к накоплению глюкоцереброзидов в клетках системы фагоцитирующих мононуклеаров и образованию таким образом клеток Гоше.

Патологическая анатомия

В разных органах обнаруживают мелкие или обширные очаги скопления клеток Гоше. Больше всего как при острой, так и при хронический форме болезни поражается селезёнка. Она увеличена в размерах, нередко имеет бугристую поверхность. Ткань серо-красного, кирпичного или шоколадного цвета, на разрезе пёстрая, с наличием ангиокавернозных очагов, инфарктов, рубцов. Микроскопически скопления клеток Гоше находят в красной пульпе, трабекулах, фолликулах; наблюдается резкое расширение синусов (но клеток Гоше здесь, как правило, нет). Клетки Гоше в селезёнке содержат жёлто-коричневый пигмент. Печень также увеличена. Клеток Гоше здесь меньше, чем в селезёнке; отдельные элементы представляют собой переходные формы от звездчатых эндотелиоцитов (купферовских клеток) к клеткам Гоше. Клетки Гоше располагаются диффузно в печёночных дольках, нарушая правильность их структуры, в стенках капилляров, вокруг синусов. В костном мозге очаговые скопления клеток Гоше сочетаются с рассасыванием костных балок, разрастанием соединительной ткани. В надпочечниках клетки Гоше находят преимущественно в ретикулярной зоне. В лёгких они инфильтрируют интерстициальную ткань альвеолярных перегородок, могут содержаться в просветах альвеол. При острой форме Гоше болезнь эти клетки обнаруживают также в глиальных элементах головного мозга, тимусе, в клубочках почек. В головном мозге выявляют дистрофические изменения ганглиозных клеток, увеличение глиальных элементов в подкорковых узлах, явление нейронофагии (смотри полный свод знаний) и нарушение миелинизации. В белом веществе головного мозга иногда уменьшены отдельные фракции фосфолипидов, холестерина и цереброзидов, что может быть связано с демиелинизацией.

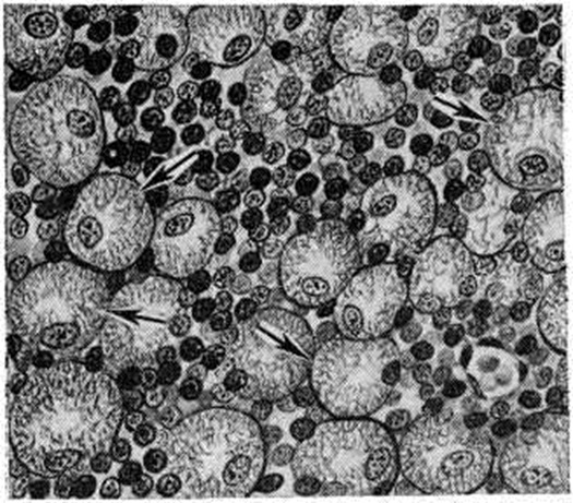
Клетки Гоше (рисунок 1) округлой формы, крупные (диаметром 40—80 микрометров) с небольшим ядром, часто располагающимся эксцентрично, и широкой зоной фибриллярной, исчерченной светло-серой цитоплазмы. Для клеток Гоше характерна интенсивно-голубая цитоплазма при окраске по методу Маллори (смотри полный свод знаний Маллори методы), положительная ШИК-реакция (смотри полный свод знаний), высокая активность кислой фосфатазы и неспецифической эстеразы. В цитоплазме нередко содержится гемосидерин. Встречаются многоядерные клетки. При электронной микроскопии в клетках Гоше и в клетках, ещё не приобретших морфологически черт клеток Гоше, но уже накапливающих глюкоцереброзиды, находят отсутствующие в норме липидные цитосомы — образования в виде скопления трубочек, содержащих глюкоцереброзиды, диаметром 25— 40 нанометров, отграниченные мембраной.


При использовании метода негативного контрастирования установлено, что эти трубочки имеют спиралевидную структуру. Это отличает клетки Гоше от сходных с ними клеток, выявляемых при других заболеваниях, в частности при хронический миелолейкозе (смотри полный свод знаний Лейкозы). При электронной микроскопии в клетках Гоше нередко обнаруживают и остатки эритроцитов.

Клиническая картина

Различают две формы заболевания: острую, или злокачественную, и хроническую.

Злокачественная форма Гоше болезнь проявляется в первые месяцы жизни ребёнка. Характерно нарастание тяжести симптомов. Отмечают прогрессирующее увеличение селезёнки и печени, отставание в физ. и психическом развитии, поражение центральная нервная система; развивается гипохромная анемия, лейкопения, тромбоцитопения; последняя, по-видимому, обусловливает появление кожных геморрагий, носовых кровотечений.

Поражение центральная нервная система проявляется увеличением размеров головы, умеренно выраженными признаками внутричерепной гипертензии (смотри полный свод знаний Гипертензивный синдром); отмечается также сходящееся косоглазие, гипертонус мышц шеи и гипотония (реже повышение тонуса) мышц конечностей, пирамидные симптомы. Характерными признаками в дальнейшем являются деменция (смотри полный свод знаний Слабоумие), отсутствие фиксации взгляда, ригидность мышц, сменяющаяся опистотонусом (смотри полный свод знаний).



Информация об Ordo Deus Перейти в оглавление сайта

Рис. 1.
Микропрепарат селезёнки при болезни Гоше: видны округлые клетки Гоше (указаны стрелками).



Некоторые авторы считают характерными признаками острой формы Гоше болезнь сочетание косоглазия, дистонии мышц конечностей и гиперэкстензии головы, деменции. Глазное дно обычно остаётся без изменений; у некоторых больных выявляется пигментный ретинит. Описанная неврологический симптоматика может быть ведущей в клинический, картине заболевания. Иногда ведущим в клинический, картине острой формы Гоше болезнь становится лёгочное поражение, обусловленное скоплением клеток Гоше в стенках альвеол. В этих случаях отмечается коклюшеподобный кашель, в мокроте можно найти клетки Гоше.

Хронический форма протекает значительно доброкачественнее. В большинстве случаев она проявляется в юношеском возрасте или у взрослых. Физ. и психическое развитие больных, как правило, не страдает. Размеры селезёнки и печени увеличиваются постепенно. Обычно в процесс вовлекаются и лимфатических, узлы, преимущественно висцеральные. Изменения картины крови при хронический форме Гоше болезнь те же, что и при злокачественной форме: анемия, лейкопения, тромбоцитопения; однако выражены они значительно слабее. Геморрагический синдром длительное время проявляется склонностью к подкожным кровоизлияниям и непродолжительными носовыми кровотечениями. Иногда отмечается субфебрильная температура. Характерно появление жёлто-коричневой пигментации на открытых частях кожи, слизистых оболочках и на склерах. Часто возникают боли в костях, вызывающие затруднения при ходьбе.

В ряде случаев костные поражения могут быть наиболее ранними симптомами и преобладать во всей клинический, картине болезни. Иногда костные изменения осложняются патологический переломами. У некоторых больных отмечается специфическое поражение лёгких и желудочно-кишечного тракта.

При хронический форме Гоше болезнь неврологический нарушения обнаруживают значительно реже, чем при острой, и выражены они весьма незначительно (пирамидные симптомы, интенционный тремор, дисметрия, вегетативные нарушения проявляются гипергидрозом, тахикардией, лабильностью пульса).

Ряд авторов выделяет третью форму Гоше болезнь, развивающуюся в юношеском возрасте или у взрослых и характеризующуюся преимущественным поражением центральная нервная система, но имеющую более мягкое течение, сходное с хронический формой.

Рентгенологическая картина

Рентгенологическое изменения обнаруживают в костной системе, лёгких и в редких случаях в желудочно-кишечного тракте, главным образом при хронический форме болезни.

Наиболее часто изменения обнаруживают в длинных трубчатых костях и позвоночнике. Первое место по частоте поражения занимает дистальная половина бедра, где выявляют характерное веретенообразное или булавовидное вздутие кости (рисунок 2 и 3) с истончением коркового слоя, которое часто сочетается с грубо-ячеистой структурой, внутрикостными обызвествлениями, отдельными очагами деструкции и иногда с эностальным склерозом кости. Периостозы, как правило, не развиваются; иногда могут наблюдаться обширные краевые деструкции, сопровождающиеся периостозами. В головке бедренной кости образуются асептические некрозы по типу болезни Пертеса со свойственной данному заболеванию стадийностью процесса и исходами (смотри полный свод знаний Пертеса болезнь). Может наблюдаться утолщение шейки бедра (рисунок 4) с образованием coxa vara.

Патологический переломы тел позвонков могут привести к клиновидной их деформации. Сохранность межпозвоночного диска позволяет исключить туберкулёзный характер поражения. В ряде случаев развивается множественное поражение тел позвонков, сопровождающееся уменьшением их высоты и приводящее к снижению роста больного — системная бревиплатиспондилия (рисунок 5).



Информация об Ordo Deus Перейти в оглавление сайта

Рис. 2 и 3. Рентгенограммы бёдер при болезни Гоше.
Рис. 2. Булавовидное расширение метадиафиза бедренной кости в нижней трети с выраженными внутрикостными обызвествлениями (1) и широкопетлистой костной структурой (2). Рис. 3. Расширение метадиафиза бедренной кости с уплотнением (1) и обширным участком деструкции (2).





Информация об Ordo Deus Перейти в оглавление сайта

Рис. 4. Рентгенограмма бедра ребёнка 10 лет при болезни Гоше: выражено утолщение шейки бедренной кости (указано стрелкой).
Рис. 5. Рентгенограмма грудного отдела позвоночника ребёнка 10 лет при болезни Гоше: выражена бревиплатиспондилия (уплощение тел позвонков — указано стрелками).



Изменения в органах грудной полости выявляются редко. В лёгких рентгенологически отмечают усиление интерстициального рисунка с точечными очажками уплотнения, иногда в сочетании с увеличением внутригрудных лимф, узлов. Ещё более редки поражения желудочно-кишечного тракта, характеризующиеся появлением в желудке дефектов наполнения.

Диагноз ставят на основании клинический, картины, данных лабораторных и рентгенологических исследований. Основным критерием для диагностики Гоше болезнь является обнаружение в пунктате селезёнки, костного мозга или печени клеток Гоше. В пунктате наряду с отдельно лежащими клетками могут встречаться и синцитиальные образования из них. Описаны единичные случаи вымывания клеток Гоше в периферическую кровь и выявления их методом лейкоконцентрации (смотри полный свод знаний Лейкоциты).

Гоше болезнь можно диагностировать биохимический методом, выявляя дефицит фермента глюкоцереброзидазы в лейкоцитах периферической крови, в культуре фибробластов кожи и в культуре клеток из амниотической жидкости. У больных с острой формой Гоше болезнь содержание фермента составляет 5—10% нормы, у больных с хронический формой — 40—60%.

Для диагностики Гоше болезнь определяют также содержание глюкоцереброзидов в осадке мочи больного или в биопсийном материале, например, в печёночной ткани. Содержание этих глюколипидов повышено. В сыворотке крови больного обнаруживается избыток кислой фосфатазы, выявляется гиперкальциемия.

Исследование культуры клеток из амниотической жидкости позволяет выявлять носителей дефицита фермента глюкоцереброзидазы в пренатальном периоде жизни.

Лечение острой формы симптоматическое. Основной метод лечения хронический формы Гоше болезнь — спленэктомия (смотри полный свод знаний). Попытка терапии отдельных форм сфинголипидозов, к которым относится Гоше болезнь, введением в плазму больных недостающих ферментов пока не дала надёжных результатов.

Прогноз при острой форме Гоше болезнь неблагоприятный; смерть наступает на 1—2-м году жизни. Прогноз хронический формы, как правило, благоприятный.

Профилактика. В случае рождения в семье ребёнка со злокачественной формой болезни при последующих беременностях матери больного показано исследование амниотической жидкости плода. При диагностике Гоше болезнь у 11 — 17-недельного плода показано прерывание беременности. Специфической профилактики нет.

Смотри также Липоидозы, Сфинголипидозы.

Бриллиант М.Д.; Воробьёв А.И.; Гусев E.И.; Новикова Э.З.

⇐ Перейти на главную страницу сайта

⇑ Вернуться в начало страницы ⇑

Библиотека Ordo Deus ⇒

⇐ Гоффы болезнь

⇓ Полный свод знаний. Том первый А. ⇓

Градениго синдром ⇒

Все статьи в полном изложении, Вы можете найти в большой медицинской энциклопедии — Главный редактор: академик АН СССР (РАН) и АМН СССР (РАМН) Б.В. Петровский. — Москва издательство «Советская энциклопедия» 1989г.

Внимание! Вы находитесь в библиотеке «Ordo Deus». Все книги в электронном варианте, содержащиеся в библиотеке «Ordo Deus», принадлежат их законным владельцам (авторам, переводчикам, издательствам). Все книги и статьи взяты из открытых источников и размещаются здесь только для чтения.

Библиотека «Ordo Deus» не преследует никакой коммерческой выгоды.

Все авторские права сохраняются за правообладателями. Если Вы являетесь автором данного документа и хотите дополнить его или изменить, уточнить реквизиты автора, опубликовать другие документы или возможно вы не желаете, чтобы какой-то из ваших материалов находился в библиотеке, пожалуйста, свяжитесь с нами по e-mail:
info @ ordodeus. ru
Формы для прямой связи с нами находятся в нижней части страниц: контакты и устав «Ordo Deus», для перехода на эти страницы воспользуйтесь кнопкой контакты вверху страницы или ссылкой в оглавлении сайта.

Вас категорически не устраивает перспектива безвозвратно исчезнуть из этого мира? Вы не желаете закончить свой жизненный путь в виде омерзительной гниющей органической массы пожираемой копошащимися в ней могильными червями? Вы желаете вернувшись в молодость прожить ещё одну жизнь? Начать всё заново? Исправить совершённые ошибки? Осуществить несбывшиеся мечты? Перейдите по ссылке: «главная страница».

© Ordo Deus, 2010. При копировании ссылка на сайт http://www.ordo-deus.ru обязательна.